VALVOLA A FARFALLA “EURO” CON ATTACCHI DIN 11851 FEMMINA-FEMMINA
Varianti e misure disponibili per questo prodotto
SKU principale: 1.200.DD. --
Identifica il prodotto in senso generale, indipendentemente dalla misura. Utilizzabile per richieste tecniche o commerciali non specifiche
Ultima lettera presente in ogni codice prodotto ne identifica l'esecuzione: ovvero la combinazione di materiali in cui è costruita.
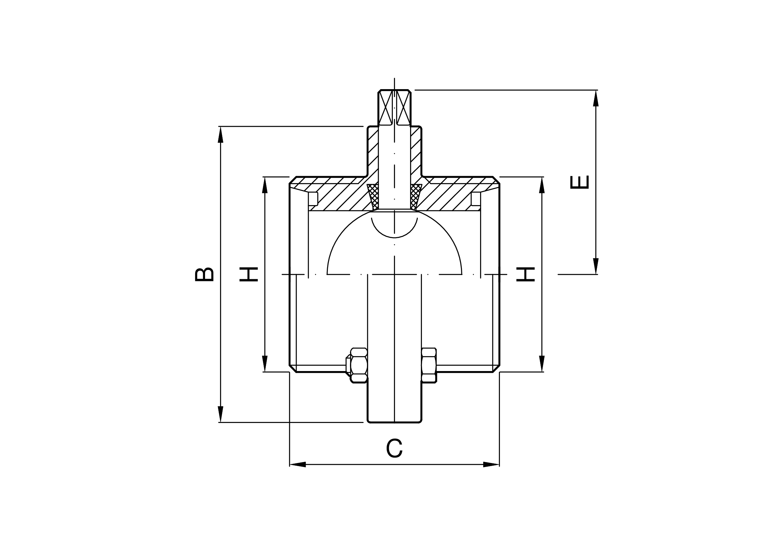
| codice | DIN | H | B | C | E | |
|---|---|---|---|---|---|---|
| mm | mm | mm | mm | mm | kg | |
| 1.200.DD.12-A | 25 | 52 | 87 | 64 | 57 | 1.1 |
| 1.200.DD.23-A | 32 | 58 | 92 | 64 | 59,5 | - |
| 1.200.DD.32-A | 40 | 65 | 97 | 72 | 62 | 1.5 |
| 1.200.DD.45-A | 50 | 78 | 110 | 72 | 68,5 | 1.8 |
| 1.200.DD.66-A | 65 | 95 | 127 | 76 | 77 | - |
| 1.200.DD.72-A | 80 | 110 | 142 | 90 | 84,5 | - |
| 1.200.DD.77-A | 100 | 130 | 162 | 94 | 95 | - |
| 1.200.DD.81-A | 125 | 160 | 191 | 106 | 119.5 | - |
| 1.200.DD.86-A | 150 | 190 | 240 | 120 | 144 | - |