+39 0385 747068

VALVOLA A SFERA “CLASSIC” CON ATTACCHI MACON SALDARE – SALDARE

VALVOLA A SFERA “CLASSIC” CON ATTACCHI MACON SALDARE – SALDARE

Varianti e misure disponibili per questo prodotto

SKU principale: 2.100.RR. --
Identifica il prodotto in senso generale, indipendentemente dalla misura. Utilizzabile per richieste tecniche o commerciali non specifiche

Ultima lettera presente in ogni codice prodotto ne identifica l'esecuzione: ovvero la combinazione di materiali in cui è costruita.

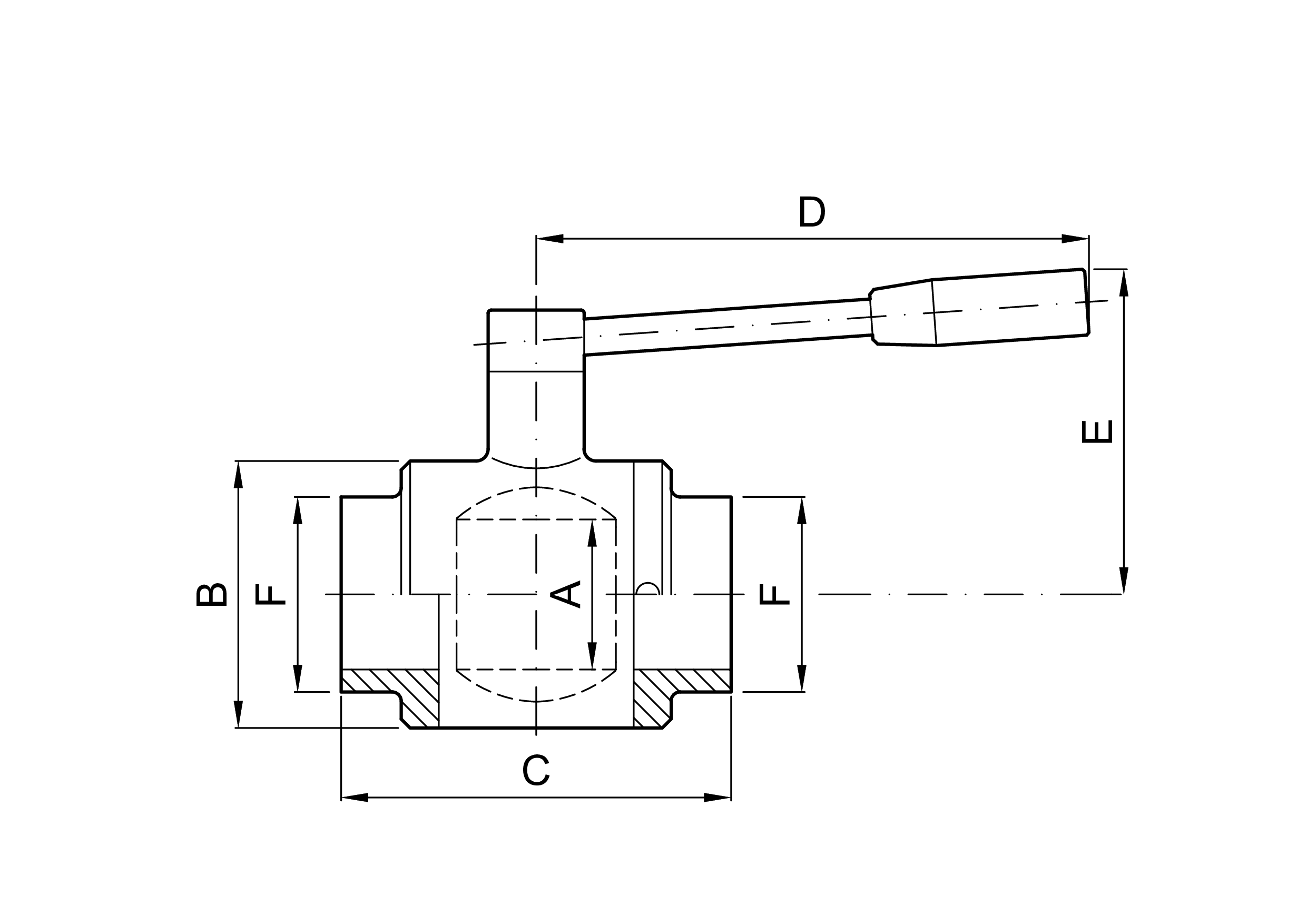
codiceMACONFABCDE
mmmmmmmmmmmmmmkg
2.100.RR.37-A40433662100140841,55
2.100.RR.49-A50534580106160932,50
2.100.RR.50-A505350891231841093,20
2.100.RR.60-A6063571011341841154,00
2.100.RR.68-A7073661141522151266,20
2.100.RR.74-A8083801401812451489,10
2.100.RR.79-A10010310016118517516113,00
Salva in PDF