+39 0385 747068

RUBINETTO A MASCHIO CONICO A TRE VIE CON ATTACCHI SMS FEMMINA

RUBINETTO A MASCHIO CONICO A TRE VIE CON ATTACCHI SMS FEMMINA

Varianti e misure disponibili per questo prodotto

SKU principale: 3.100.HH. --
Identifica il prodotto in senso generale, indipendentemente dalla misura. Utilizzabile per richieste tecniche o commerciali non specifiche

Ultima lettera presente in ogni codice prodotto ne identifica l'esecuzione: ovvero la combinazione di materiali in cui è costruita.

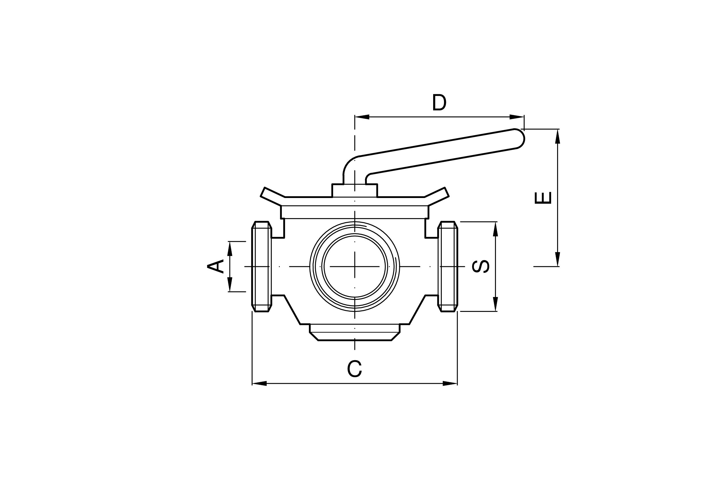
codiceDNSACDE
mmmmmmmmmmmmkg
3.100.HH.11-A254022,4120110982,10
3.100.HH.24-A386035,11401131113,40
3.100.HH.44-A517047,81701351236,60
3.100.HH.58-A638560,520016726313,40
3.100.HH.70-A769872,123017,50
3.100.HH.76-A10113297,626025,00
Salva in PDF