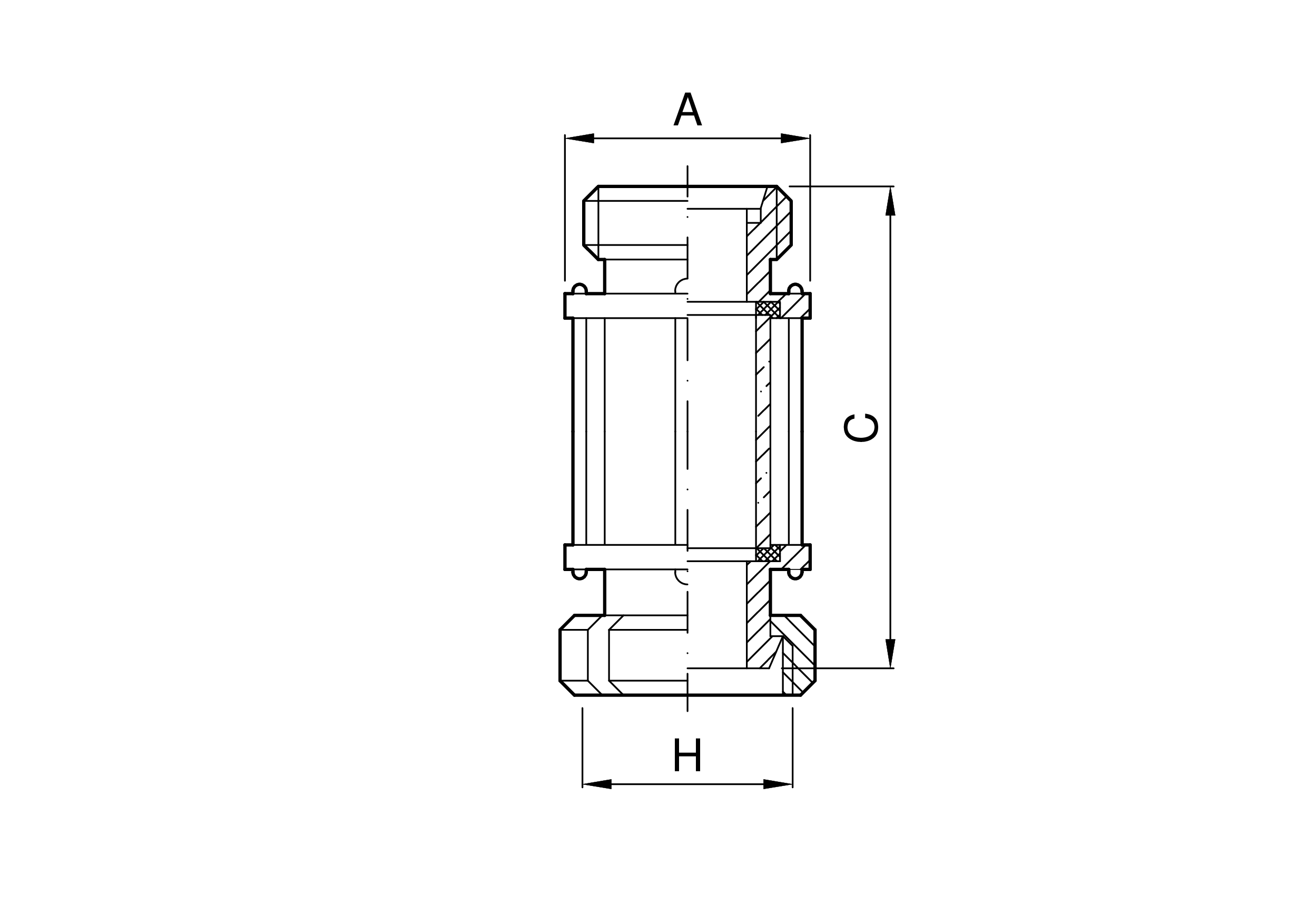
SPECOLA DI LINEA CON ATTACCHI DIN FEMMINA-MASCHIO
Varianti e misure disponibili per questo prodotto
SKU principale: 3.240.DE. --
Identifica il prodotto in senso generale, indipendentemente dalla misura. Utilizzabile per richieste tecniche o commerciali non specifiche
Ultima lettera presente in ogni codice prodotto ne identifica l'esecuzione: ovvero la combinazione di materiali in cui è costruita.
| codice | DIN | H | A | C | |
|---|---|---|---|---|---|
| mm | mm | mm | mm | kg | |
| 3.240.DE.12-A | 25 | 52 | 55 | 160 | 0,75 |
| 3.240.DE.23-A | 32 | 58 | 65 | 162 | 0,90 |
| 3.240.DE.32-A | 40 | 65 | 70 | 165 | 1,20 |
| 3.240.DE.45-A | 50 | 78 | 85 | 164 | 1,60 |
| 3.240.DE.60-A | 60 | 85 | 95 | 171 | 1,90 |
| 3.240.DE.66-A | 65 | 95 | 100 | 168 | 2,20 |
| 3.240.DE.72-A | 80 | 110 | 125 | 168 | 2,65 |
| 3.240.DE.77-A | 100 | 130 | 152 | 184 | 4,80 |
| 3.240.DE.81-A | 125 | 160 | 190 | 221 | - |