+39 0385 747068

TEE “SBOCCATO” A SALDARE LUCIDO (PER TUBI DIN 11850)

TEE “SBOCCATO” A SALDARE LUCIDO (PER TUBI DIN 11850)

Varianti e misure disponibili per questo prodotto

SKU principale: 5.490.FF. --
Identifica il prodotto in senso generale, indipendentemente dalla misura. Utilizzabile per richieste tecniche o commerciali non specifiche

Ultima lettera presente in ogni codice prodotto ne identifica l'esecuzione: ovvero la combinazione di materiali in cui è costruita.

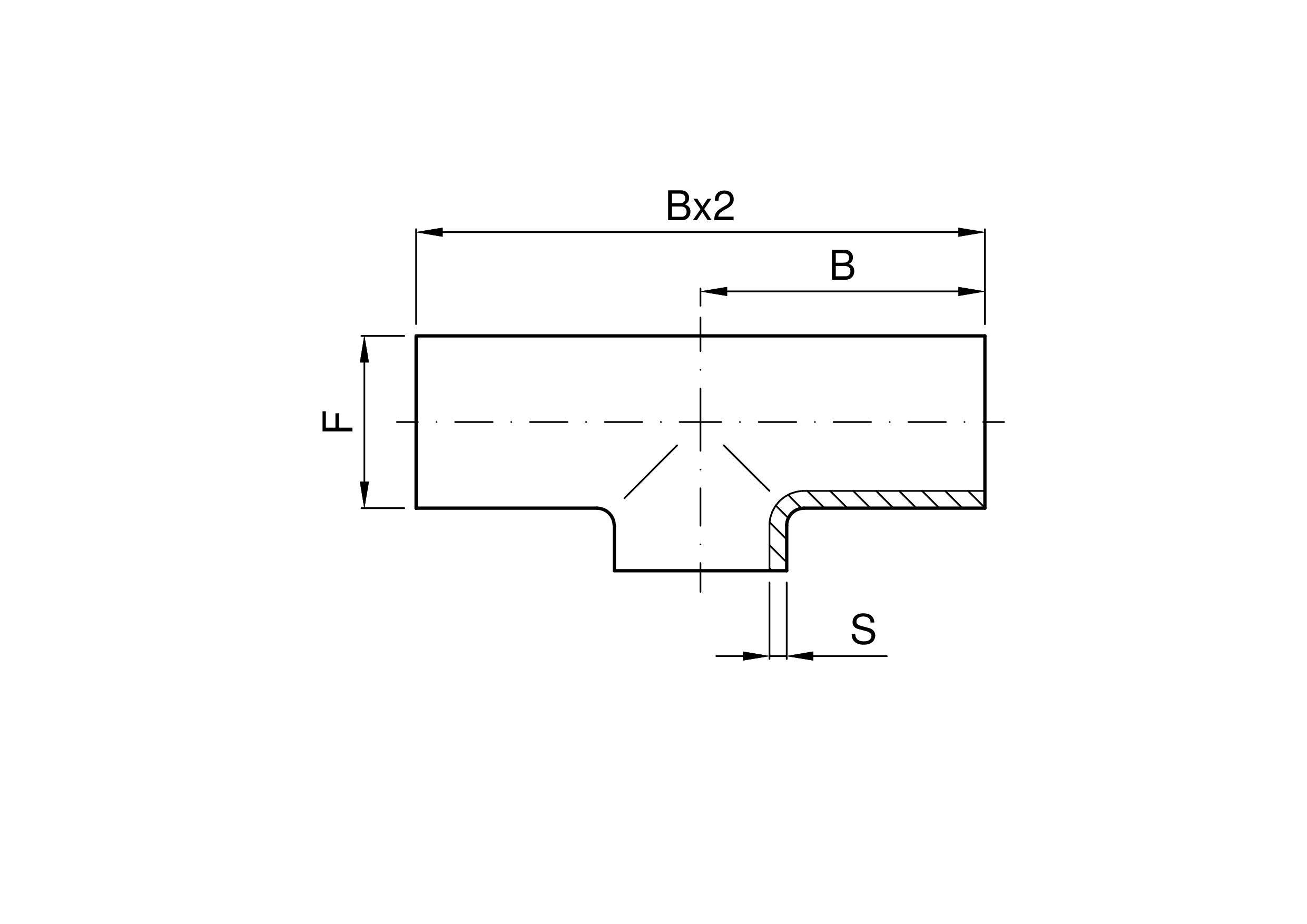
codiceDNFSB
mmmmmmmmkg
5.490.FF.12-B25281,5500,10
5.490.FF.23-B32341,5550,13
5.490.FF.32-B40401,5600,18
5.490.FF.45-B50521,5700,22
5.490.FF.57-B60601,5750,53
5.490.FF.66-B65702800,80
5.490.FF.72-B808521001,40
5.490.FF.76-B100101,621001,40
5.490.FF.77-B10010421001,45
5.490.FF.81-B1251292187
5.490.FF.86-B1501542225
5.490.FF.90-B2002042178
Salva in PDF