+39 0385 747068

FLANGIA MASCHIO DIN 11864-2/DIN 11853-2 CON SEDE PER GUARNIZIONE

FLANGIA MASCHIO DIN 11864-2/DIN 11853-2 CON SEDE PER GUARNIZIONE

Varianti e misure disponibili per questo prodotto

SKU principale: 4.740.XF. --
Identifica il prodotto in senso generale, indipendentemente dalla misura. Utilizzabile per richieste tecniche o commerciali non specifiche

Ultima lettera presente in ogni codice prodotto ne identifica l'esecuzione: ovvero la combinazione di materiali in cui è costruita.

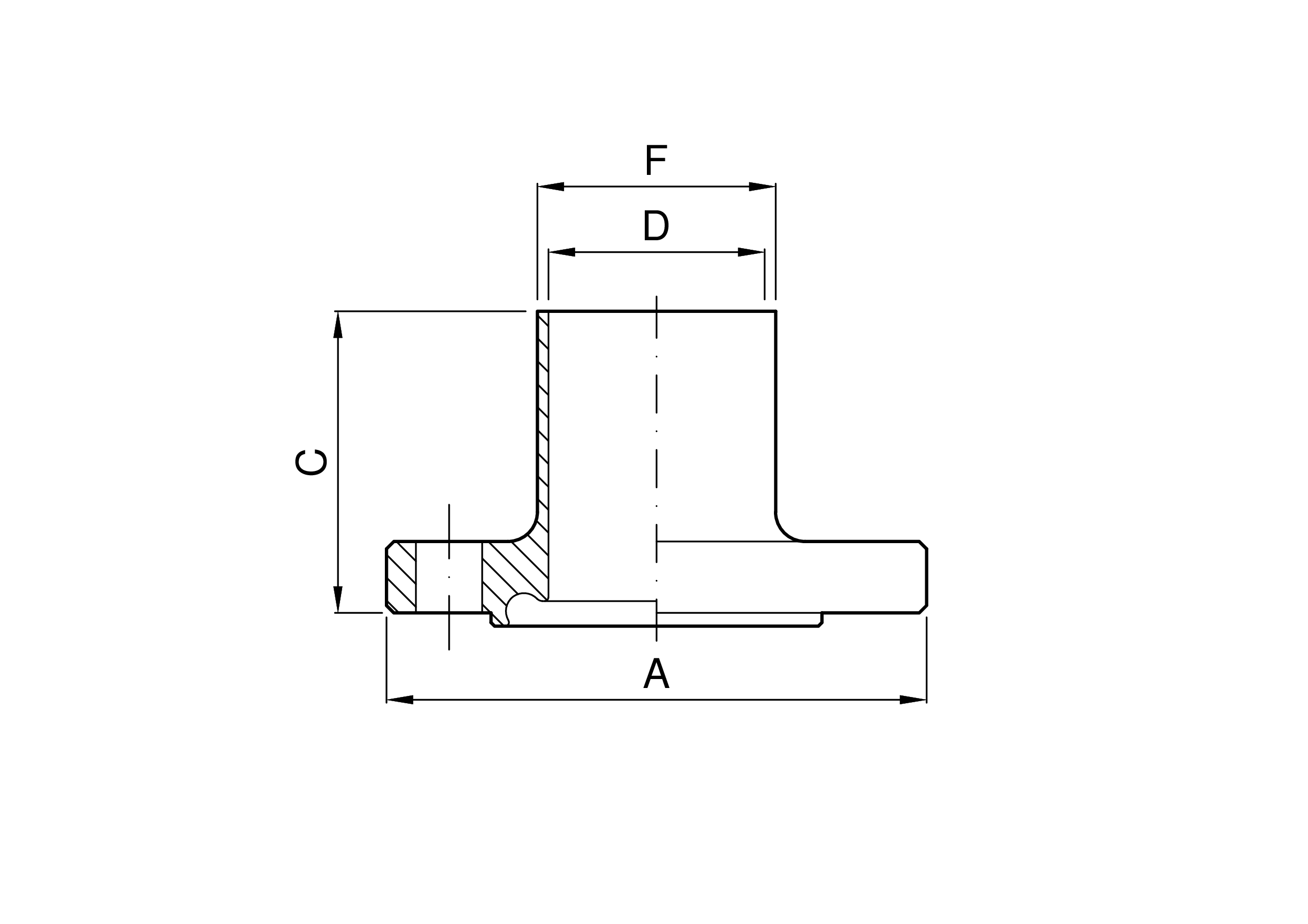
codiceDNAFDCE
mmmmmmmmmmkg
4.740.XF.02-B1054131041,54xM8x30
4.740.XF.06-B1559191641,54xM8x30
4.740.XF.09-B2064232041,54xM8x30
4.740.XF.12-B2570292641,54xM8x30
4.740.XF.23-B3276353246,54xM8x30
4.740.XF.32-B4082413846,54xM8x30
4.740.XF.45-B5094535046,54xM8x30
4.740.XF.66-B65113706655,54xM8x30
4.740.XF.72-B80133858159,54xM10x35
4.740.XF.77-B10015910410059,54xM10x40
DIN 11864
Salva in PDF