+39 0385 747068

BOCCHETTONE FILETTATO MACON A SALDARE

BOCCHETTONE FILETTATO MACON A SALDARE

Varianti e misure disponibili per questo prodotto

SKU principale: 4.040.QR. --
Identifica il prodotto in senso generale, indipendentemente dalla misura. Utilizzabile per richieste tecniche o commerciali non specifiche

Ultima lettera presente in ogni codice prodotto ne identifica l'esecuzione: ovvero la combinazione di materiali in cui è costruita.

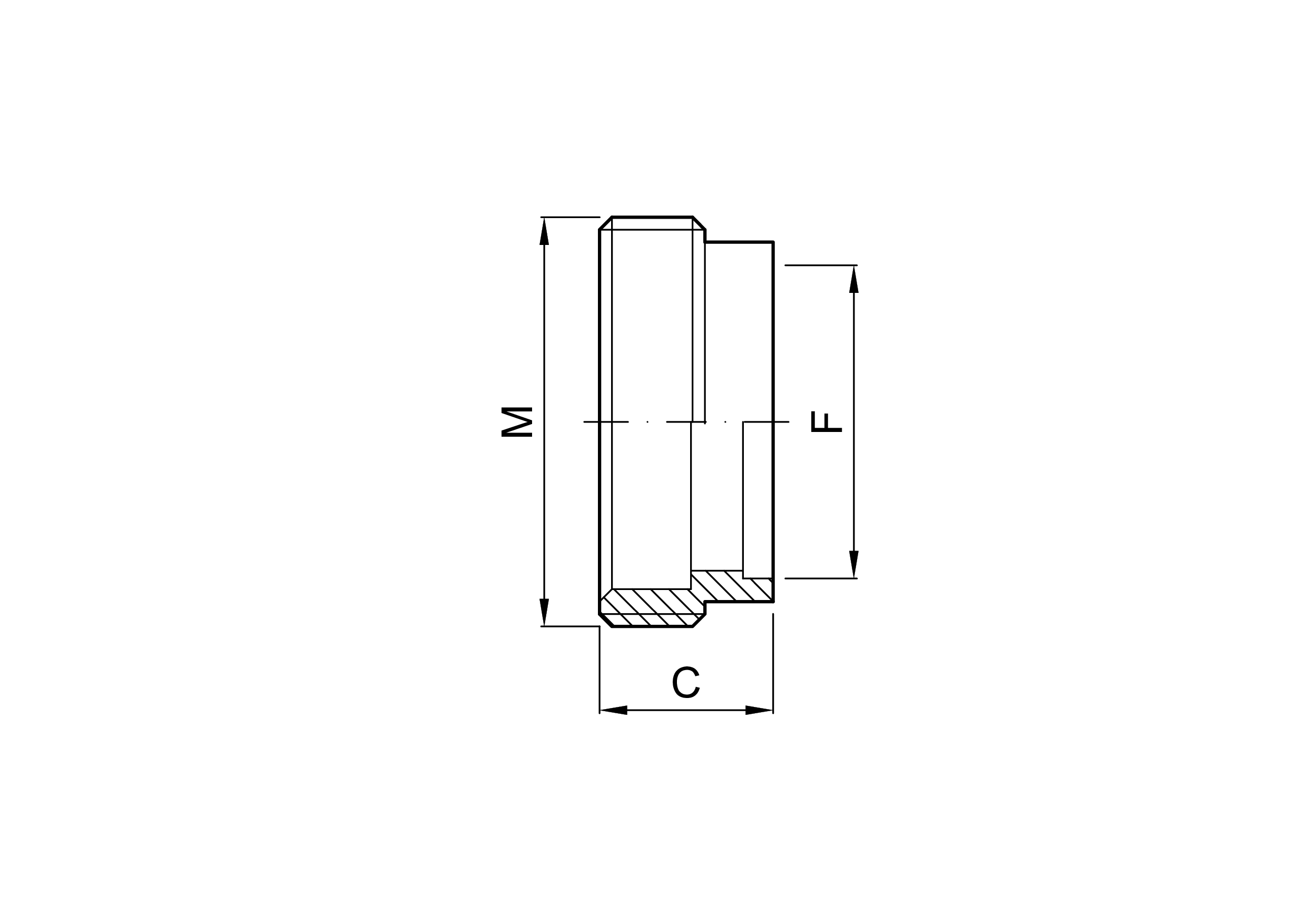
codiceMACONCFM
mmmmmmmmkg
4.040.QR.37-X402243,3550,15
4.040.QR.49-X502253,3670,20
4.040.QR.60-X602263,3790,28
4.040.QR.68-X702273,3900,33
4.040.QR.74-X802283,41020,41
4.040.QR.79-X10022103,4125
Salva in PDF