VALVOLA A FARFALLA CON ATTACCHI A SALDARE PER TUBI DIN 11850 SERIE 1
Varianti e misure disponibili per questo prodotto
SKU principale: 1.100.FF. --
Identifica il prodotto in senso generale, indipendentemente dalla misura. Utilizzabile per richieste tecniche o commerciali non specifiche
Ultima lettera presente in ogni codice prodotto ne identifica l'esecuzione: ovvero la combinazione di materiali in cui è costruita.
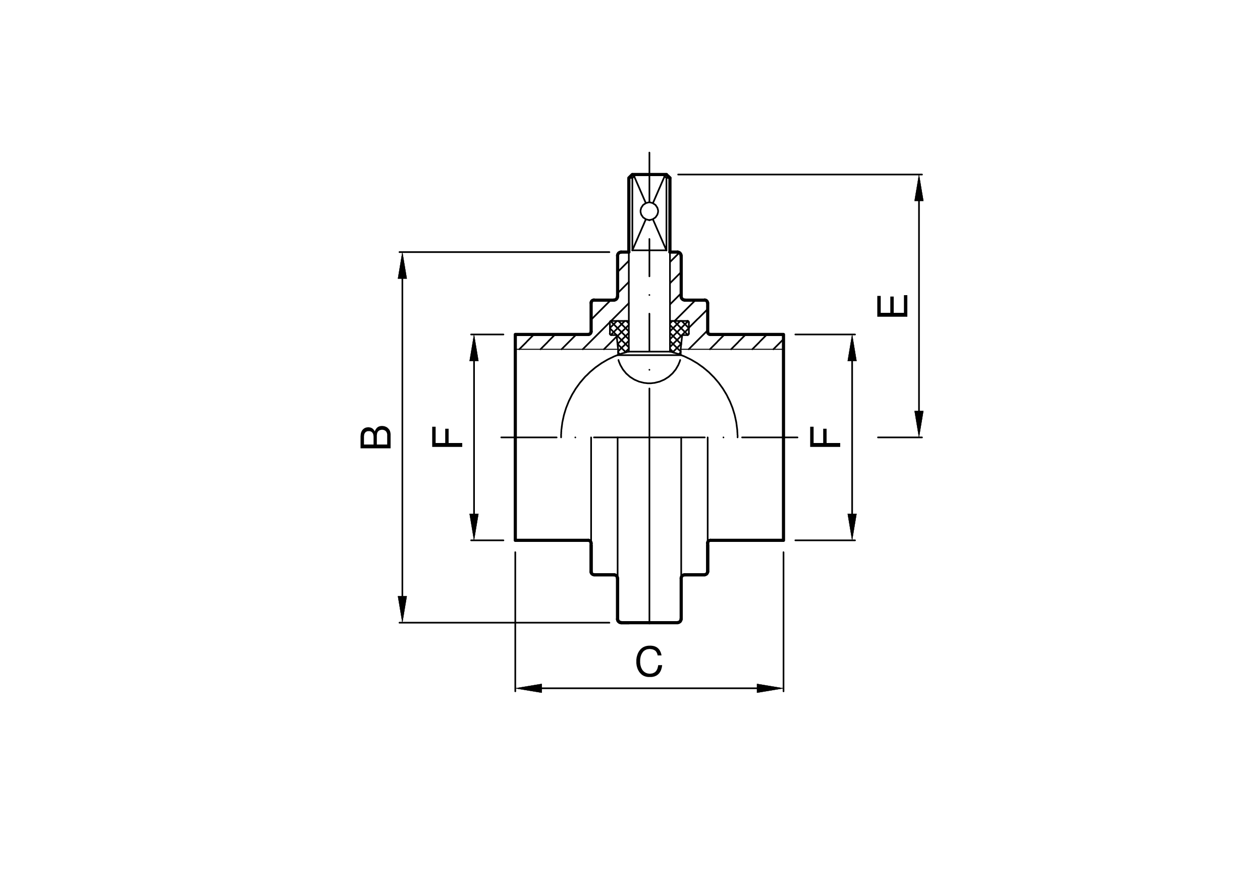
| codice | DIN | F | B | C | E | |
|---|---|---|---|---|---|---|
| mm | mm | mm | mm | mm | kg | |
| 1.100.FF.09-A | 20 | 22 | 50 | 56 | 44 | 0,60 |
| 1.100.FF.12-A | 25 | 28 | 79 | 68 | 61,5 | 0,77 |
| 1.100.FF.23-A | 32 | 34 | 85 | 76 | 64,5 | 0,85 |
| 1.100.FF.32-A | 40 | 40 | 92 | 76 | 68,0 | 1,00 |
| 1.100.FF.45-A | 50 | 52 | 105 | 80 | 74,5 | 1,40 |
| 1.100.FF.57-A | 60 | 60 | 113 | 82 | 78,5 | 1,50 |
| 1.100.FF.66-A | 65 | 70 | 125 | 82 | 84,5 | 1,75 |
| 1.100.FF.72-A | 80 | 85 | 137 | 84 | 90,5 | 2,30 |
| 1.100.FF.77-A | 100 | 104 | 157 | 88 | 100,5 | 2,70 |