VALVOLA A SFERA “CLASSIC” CON ATTACCHI SALDARE-SALDARE “BS”
Varianti e misure disponibili per questo prodotto
SKU principale: 2.100.MM. --
Identifica il prodotto in senso generale, indipendentemente dalla misura. Utilizzabile per richieste tecniche o commerciali non specifiche
Ultima lettera presente in ogni codice prodotto ne identifica l'esecuzione: ovvero la combinazione di materiali in cui è costruita.
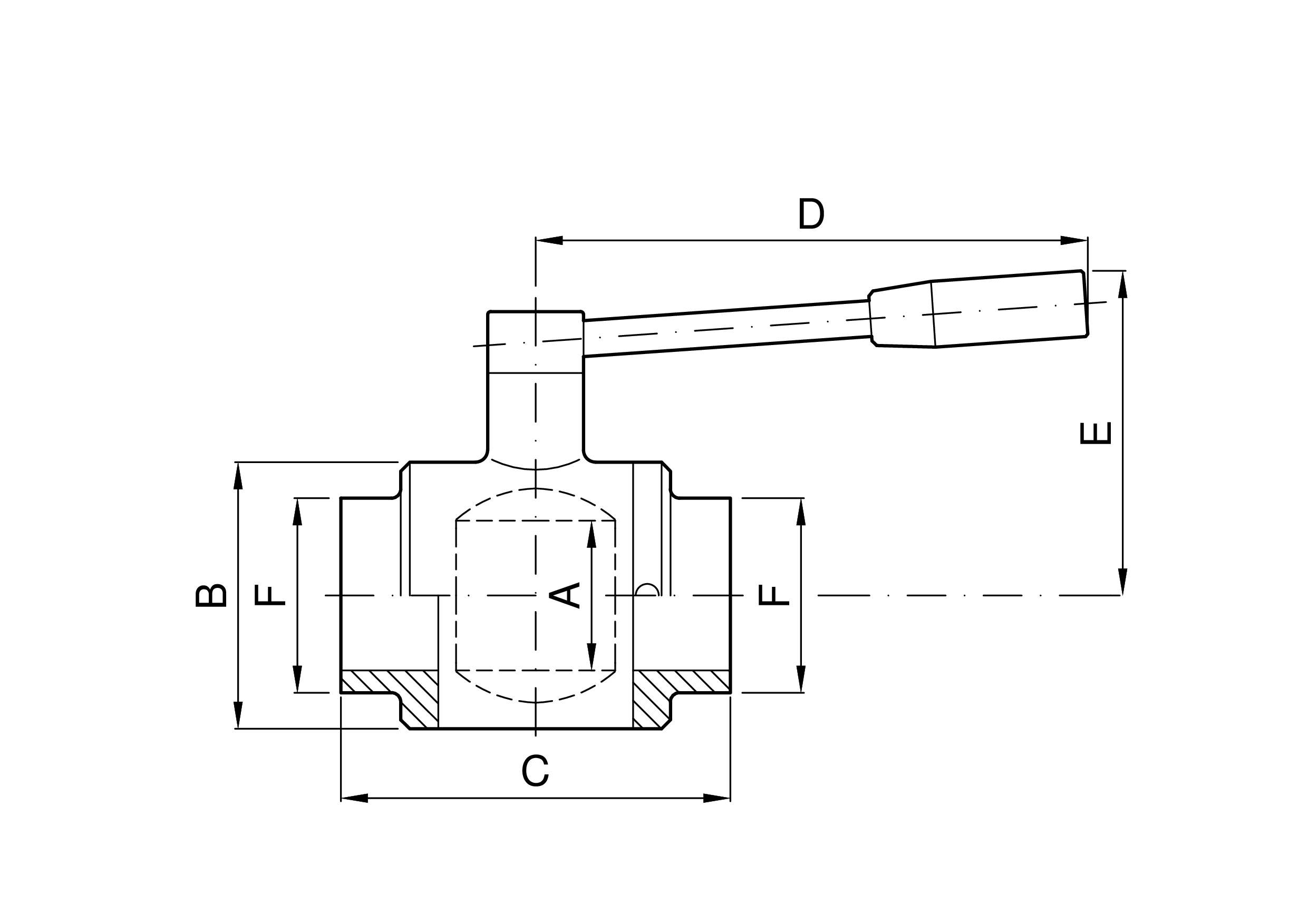
| codice | DN | F | A | B | C | D | E | |
|---|---|---|---|---|---|---|---|---|
| inch | mm | mm | mm | mm | mm | mm | kg | |
| 2.100.MM.03-A | ½ | 12,7 | 10 | 28 | 65 | 53 | 47 | 0,30 |
| 2.100.MM.07-A | ¾ | 19,05 | 15 | 35 | 71 | 83 | 50 | 0,40 |
| 2.100.MM.11-A | 1 | 25,4 | 22 | 50 | 83 | 125 | 76 | 0,80 |
| 2.100.MM.24-A | 1 ½ | 38,1 | 36 | 62 | 100 | 140 | 84 | 1,50 |
| 2.100.MM.44-A | 2 | 50,8 | 45 | 80 | 106 | 160 | 93 | 2,50 |
| 2.100.MM.58-A | 2 ½ | 63,5 | 57 | 101 | 134 | 184 | 115 | 4,10 |
| 2.100.MM.70-A | 3 | 76,1 | 66 | 119 | 151 | 215 | 126 | 6,20 |
| 2.100.MM.76-A | 4 | 101,6 | 99 | 162 | 204 | 275 | 161 | 13,30 |