+39 0385 747068

VALVOLA A SFERA “CLASSIC” CON ATTACCHI A GAROLLA-GAROLLA

VALVOLA A SFERA “CLASSIC” CON ATTACCHI A GAROLLA-GAROLLA

Varianti e misure disponibili per questo prodotto

SKU principale: 2.100.UU. --
Identifica il prodotto in senso generale, indipendentemente dalla misura. Utilizzabile per richieste tecniche o commerciali non specifiche

Ultima lettera presente in ogni codice prodotto ne identifica l'esecuzione: ovvero la combinazione di materiali in cui è costruita.

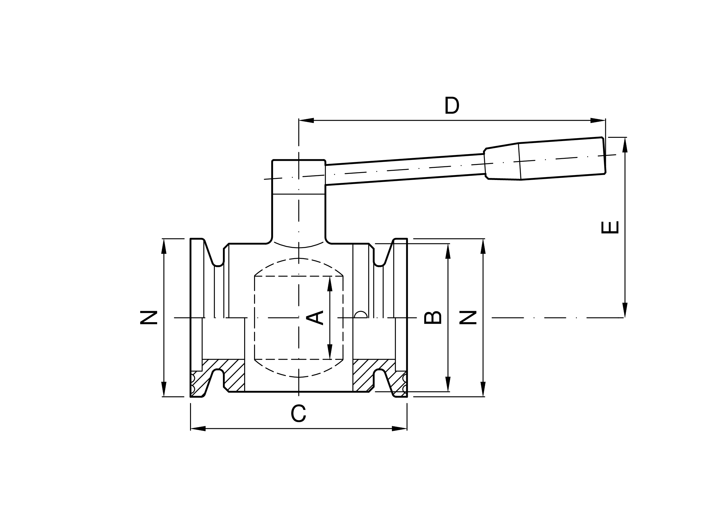
codiceGAROLLAANBCDE
mmmmmmmmmmmmmmkg
2.100.UU.35-A40366562104140841,60
2.100.UU.48-A50507589119184109
2.100.UU.47-A50457580108160932,60
2.100.UU.52-A605086891191841093,80
2.100.UU.60-A6057861011391841154,70
2.100.UU.67-A7066981141452151266,90
2.100.UU.73-A80801081401782451489,80
2.100.UU.78-A10010012816120427516114,00
Salva in PDF