+39 0385 747068

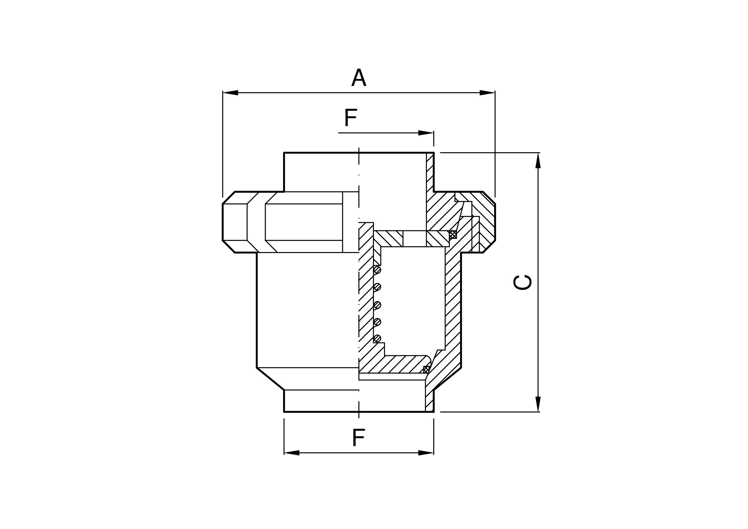
VALVOLA DI RITEGNO CON ATTACCHI SALDARE-SALDARE

VALVOLA DI RITEGNO CON ATTACCHI SALDARE-SALDARE

Varianti e misure disponibili per questo prodotto

SKU principale: 3.200.JJ. --
Identifica il prodotto in senso generale, indipendentemente dalla misura. Utilizzabile per richieste tecniche o commerciali non specifiche

Ultima lettera presente in ogni codice prodotto ne identifica l'esecuzione: ovvero la combinazione di materiali in cui è costruita.

codiceDNACF
mmmmmmmmkg
3.200.JJ.11-A25749025,41,10
3.200.JJ.24-A38849038,11,70
3.200.JJ.44-A5110010950,82,50
3.200.JJ.58-A6311412063,54,00
3.200.JJ.70-A7615414976,15,40
Salva in PDF