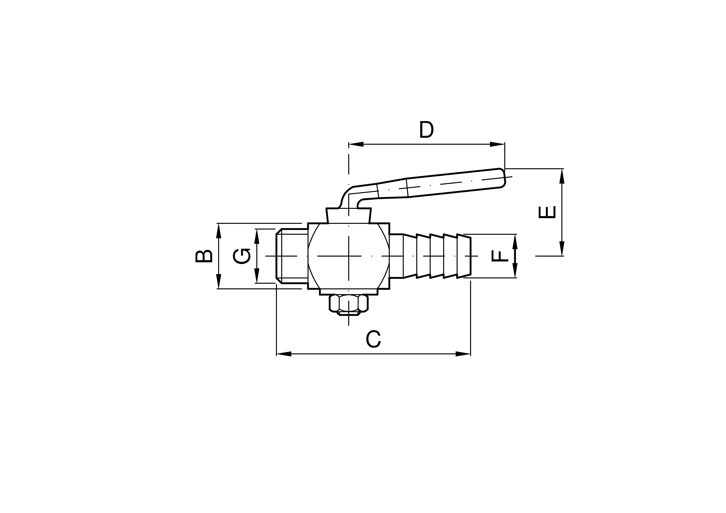
RUBINETTO A MASCHIO CONICO CON ATTACCHI GAS MASCHIO-PORTAGOMMA
Varianti e misure disponibili per questo prodotto
SKU principale: 3.070.BV. --
Identifica il prodotto in senso generale, indipendentemente dalla misura. Utilizzabile per richieste tecniche o commerciali non specifiche
Ultima lettera presente in ogni codice prodotto ne identifica l'esecuzione: ovvero la combinazione di materiali in cui è costruita.
| codice | G | F | B | C | D | E | |
|---|---|---|---|---|---|---|---|
| inch | mm | mm | mm | mm | mm | kg | |
| 3.070.BV.01-A | ⅛ | 12 | 22 | 50 | 64 | 45 | 0,16 |
| 3.070.BV.04-A | ¼ | 12 | 22 | 56 | 64 | 45 | 0,16 |
| 3.070.BV.05-A | ⅜ | 16 | 22 | 62 | 64 | 45 | 0,18 |
| 3.070.BV.08-A | ½ | 17 | 25 | 80 | 64 | 50 | 0,30 |