+39 0385 747068

TEE RIDOTTO A SALDARE DIN 11865 SATINATO

TEE RIDOTTO A SALDARE DIN 11865 SATINATO

Varianti e misure disponibili per questo prodotto

SKU principale: 5.51-.GG --
Identifica il prodotto in senso generale, indipendentemente dalla misura. Utilizzabile per richieste tecniche o commerciali non specifiche

Ultima lettera presente in ogni codice prodotto ne identifica l'esecuzione: ovvero la combinazione di materiali in cui è costruita.

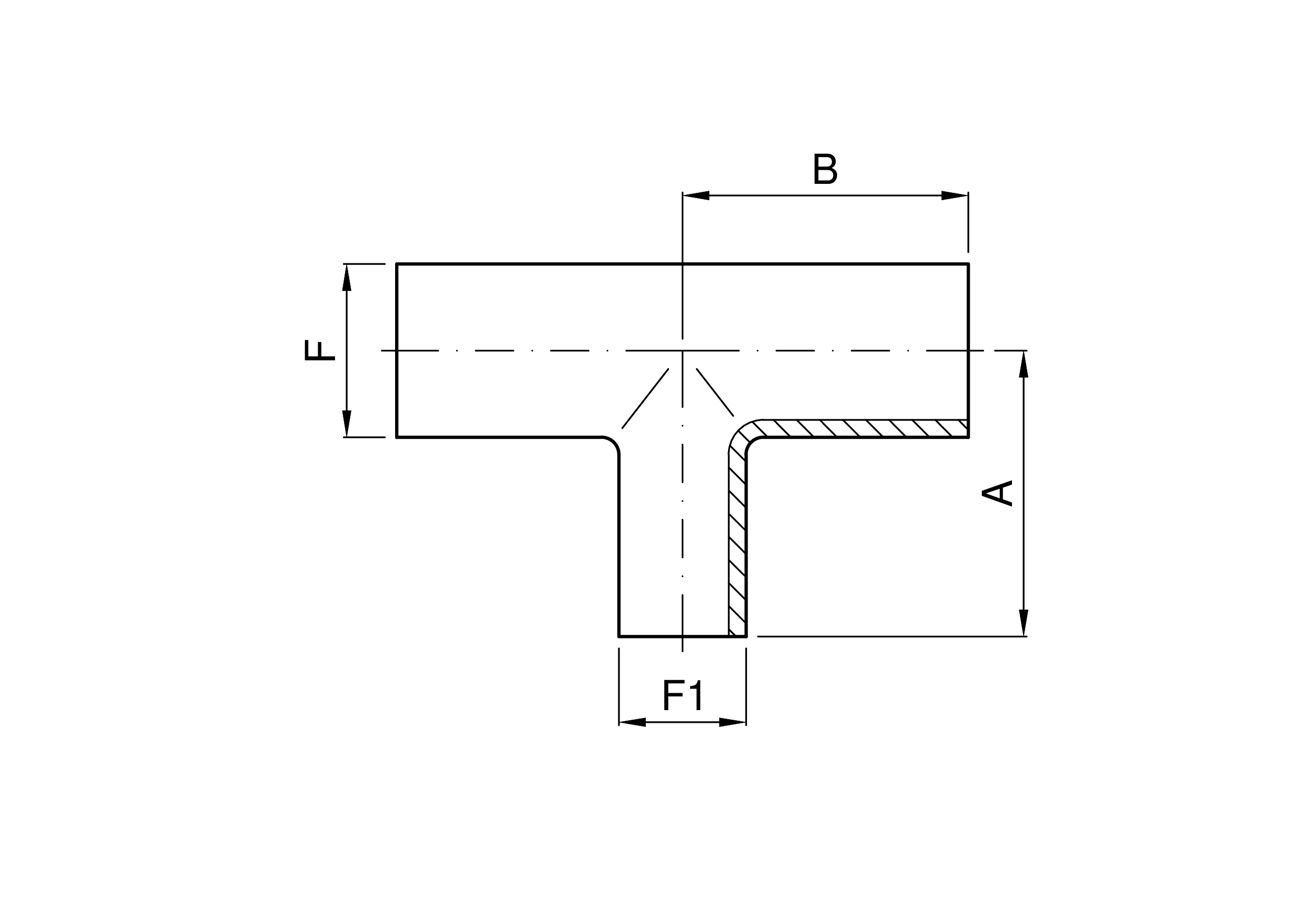
codiceDNFF1B
mmmmmmmmkg
5.514.GG.23-B323529550,18
5.514.GG.32-B404135600,24
5.514.GG.45-B505341800,30
5.514.GG.66-B6570531050,65
5.514.GG.72-B8085701301,10
5.514.GG.77-B100104851551,901
5.515.GG.23-B323423550,11
5.515.GG.32-B404029600,24
5.515.GG.45-B505235800,30
5.515.GG.66-B6570411050,65
5.515.GG.72-B8085531301,10
5.515.GG.77-B100104701551,90
Salva in PDF