+39 0385 747068

TEE RIDOTTO A MANDRINARE LUCIDO ALIMENTARE (PER TUBI DIN 11850)

TEE RIDOTTO A MANDRINARE LUCIDO ALIMENTARE (PER TUBI DIN 11850)

Varianti e misure disponibili per questo prodotto

SKU principale: 5.50-.GG --
Identifica il prodotto in senso generale, indipendentemente dalla misura. Utilizzabile per richieste tecniche o commerciali non specifiche

Ultima lettera presente in ogni codice prodotto ne identifica l'esecuzione: ovvero la combinazione di materiali in cui è costruita.

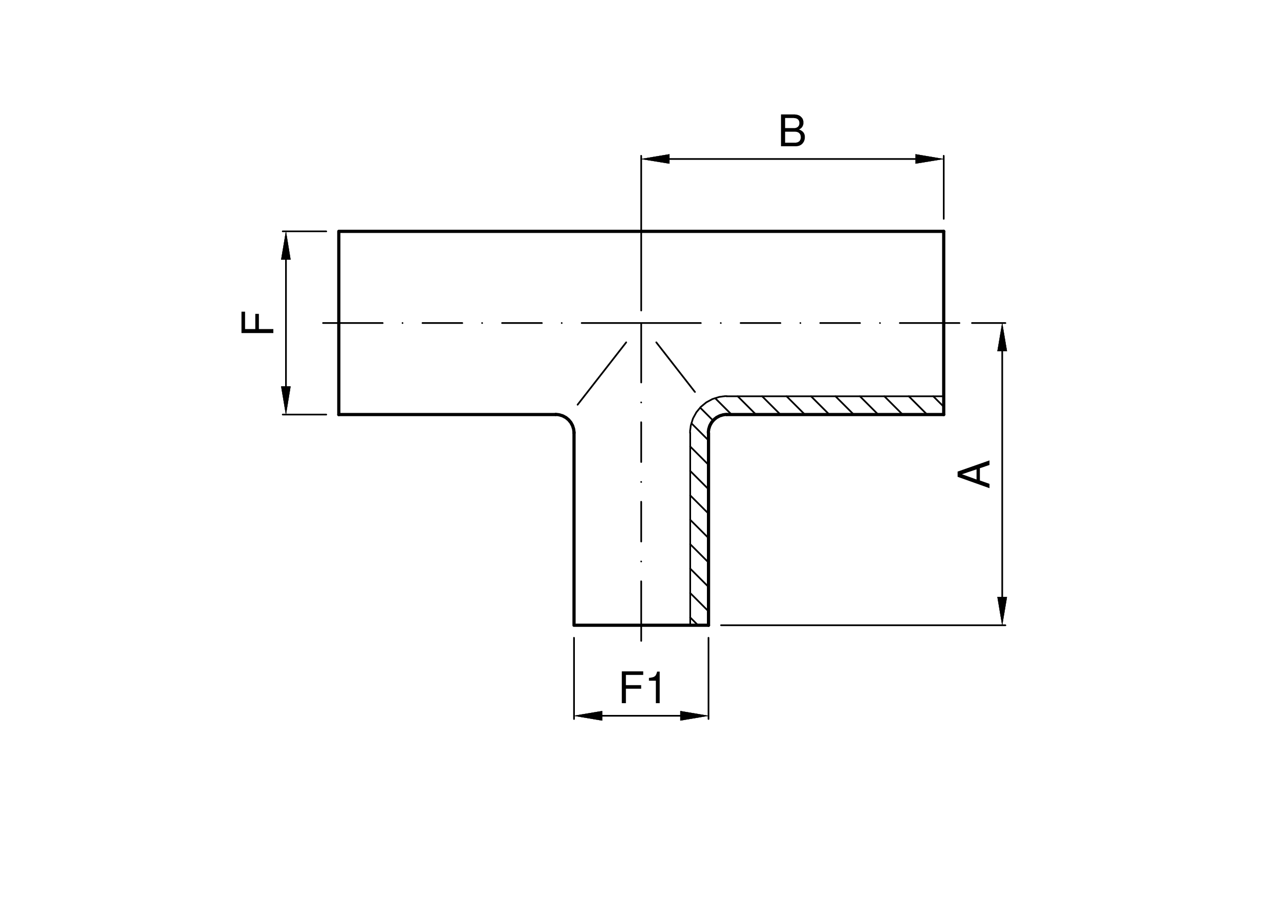
codiceDNFAF1B
mmmmmmmmmmkg
5.504.GG.23-B32345328550,18
5.504.GG.32-B40405834600,24
5.504.GG.45-B50526640700,30
5.504.GG.66-B657078,552800,65
5.504.GG.72-B80858670901,10
5.504.GG.76-B100101,699,5851101,90
5.504.GG.77-B10010499,5851001,90
5.505.GG.23-B32344622550,18
5.505.GG.32-B40405628600,24
5.505.GG.45-B50526434700,30
5.505.GG.66-B657074,540800,65
5.505.GG.72-B80858652901,10
5.505.GG.76-B100101,697701101,90
5.505.GG.77-B10010497701002
Salva in PDF