TEE A SALDARE GREZZO (ISO) 2B
Varianti e misure disponibili per questo prodotto
SKU principale: 5.410.CC. --
Identifica il prodotto in senso generale, indipendentemente dalla misura. Utilizzabile per richieste tecniche o commerciali non specifiche
Ultima lettera presente in ogni codice prodotto ne identifica l'esecuzione: ovvero la combinazione di materiali in cui è costruita.
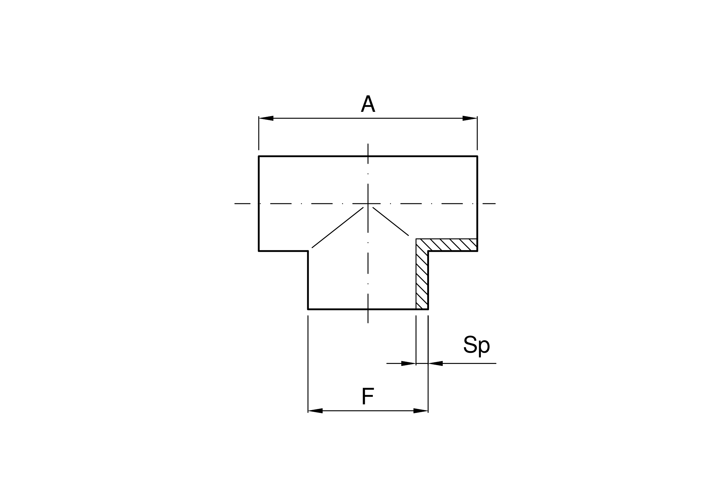
| codice | G | F | A | 2 sp |
|---|---|---|---|---|
| inch | mm | mm | mm | |
| 5.410.CC.04-A | ¼ | 13,7 | 55 | 2 |
| 5.410.CC.05-A | ⅜ | 17,2 | 60 | 2 |
| 5.410.CC.08-A | ½ | 21,3 | 51 | 2 |
| 5.410.CC.10-A | ¾ | 26,9 | 57 | 2 |
| 5.410.CC.13-A | 1 | 33,7 | 76 | 2 |
| 5.410.CC.29-A | 1 ¼ | 42,4 | 95 | 2 |
| 5.410.CC.38-A | 1 ½ | 48,3 | 114 | 2 |
| 5.410.CC.50-A | 2 | 60,3 | 127 | 2 |
| 5.410.CC.65-A | 2 ½ | 76,1 | 156 | 2 |
| 5.410.CC.71-A | 3 | 88,9 | 171 | 2 |
| 5.410.CC.75-A | 3 ½ | 101,6 | 210 | 2 |
| 5.410.CC.80-A | 4 | 114,3 | 210 | 2 |
| 5.410.CC.82-A | 5 | 139,7 | 248 | 2 |
| 5.410.CC.88-A | 6 | 168,3 | 286 | 2 |
| 5.410.CC.92-A | 8 | 219,1 | 356 | 2 |
| 5.410.CC.96-A | 10 | 273,0 | 432 | 2 |