TEE A SALDARE ASME BPE DT 4.1.2-1
Varianti e misure disponibili per questo prodotto
SKU principale: 5.440.S1. --
Identifica il prodotto in senso generale, indipendentemente dalla misura. Utilizzabile per richieste tecniche o commerciali non specifiche
Ultima lettera presente in ogni codice prodotto ne identifica l'esecuzione: ovvero la combinazione di materiali in cui è costruita.
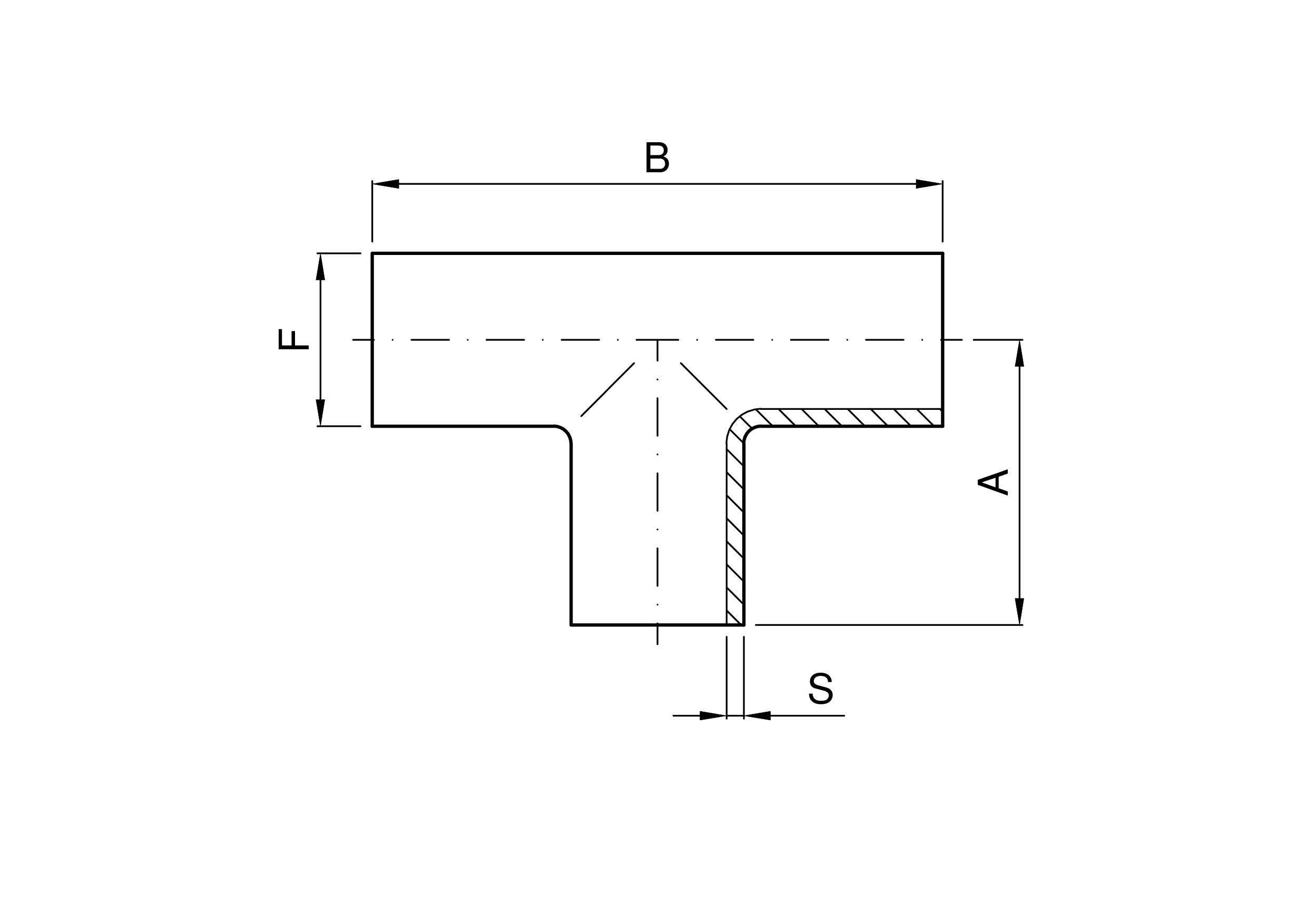
| codice | DN | F | S | A | B | |
|---|---|---|---|---|---|---|
| inch | mm | mm | mm | mm | kg | |
| 5.440.S1.03-B | ½ | 12,7 | 1,65 | 47,6 | 95,2 | 0,05 |
| 5.440.S1.07-B | ¾ | 19,5 | 1,65 | 47,6 | 101,6 | 0,07 |
| 5.440.S1.11-B | 1 | 25,4 | 1,65 | 54,0 | 108 | 0,08 |
| 5.440.S1.24-B | 1 ½ | 38,1 | 1,65 | 60,3 | 120,6 | 0,16 |
| 5.440.S1.44-B | 2 | 50,8 | 1,65 | 73,0 | 146 | 0,25 |
| 5.440.S1.58-B | 2 ½ | 63,5 | 1,65 | 79,4 | 158,8 | 0,35 |
| 5.440.S1.70-B | 3 | 76,1 | 1,65 | 85,7 | 171,4 | 0,50 |
| 5.440.S1.76-B | 4 | 101,6 | 2,11 | 104,8 | 209,6 | 0,90 |