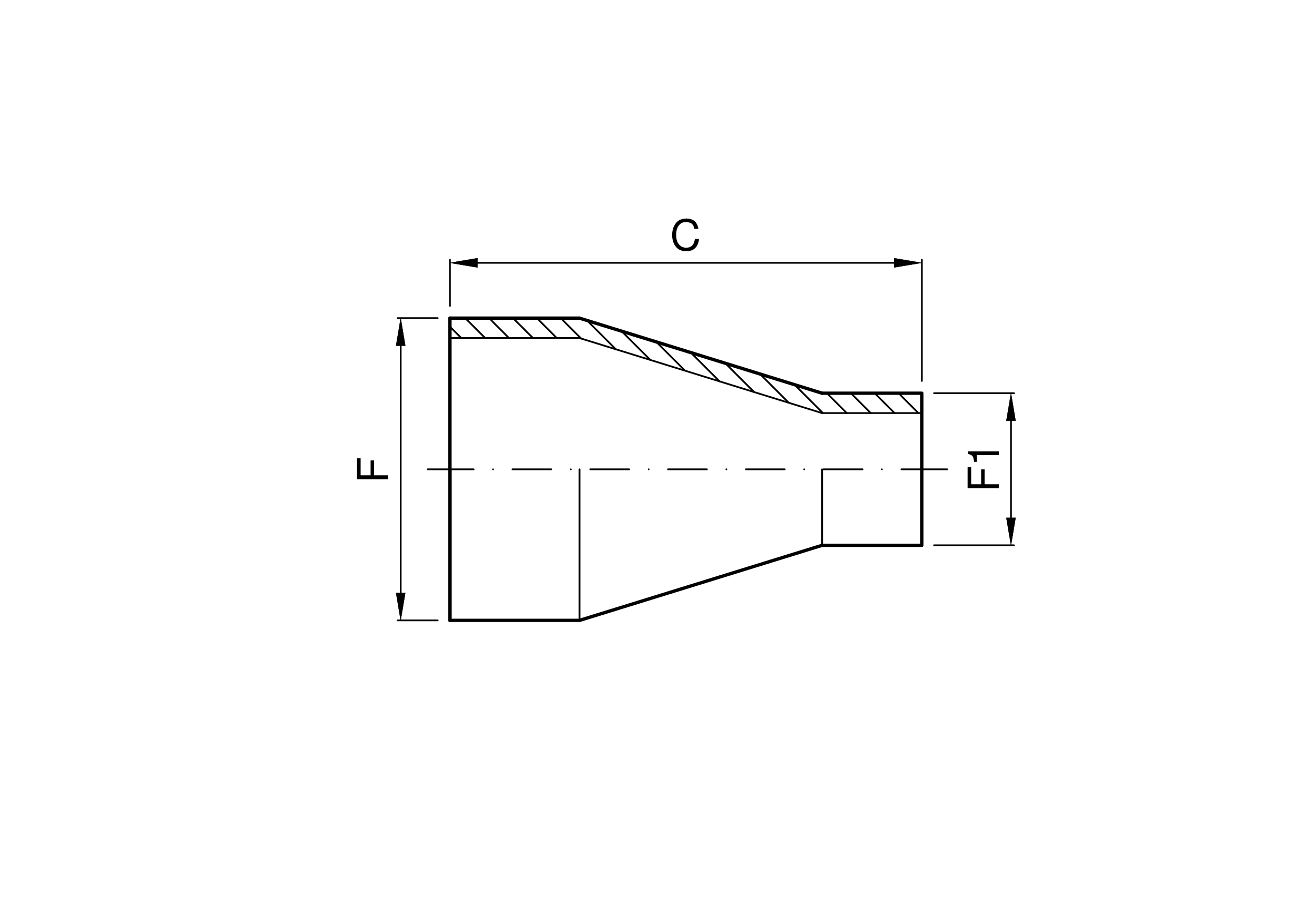
RIDUZIONE CONCENTRICA A SALDARE ASME BPE DT 4.1.3-1
Varianti e misure disponibili per questo prodotto
SKU principale: 5.64-.S1. --
Identifica il prodotto in senso generale, indipendentemente dalla misura. Utilizzabile per richieste tecniche o commerciali non specifiche
Ultima lettera presente in ogni codice prodotto ne identifica l'esecuzione: ovvero la combinazione di materiali in cui è costruita.
| codice | DN | DN1 | C type A | C type B | F | F1 |
|---|---|---|---|---|---|---|
| inch | inch | mm | mm | mm | mm | |
| 5.641.S1.07-B | ¾ | ½ | 101,6 | 54 | 19,05 | 12,7 |
| 5.641.S1.11-B | 1 | ¾ | 101,6 | 54 | 25,4 | 19,05 |
| 5.641.S1.24-B | 1 ½ | 1 | 127,0 | 63,5 | 38,1 | 25,4 |
| 5.641.S1.44-B | 2 | 1 ½ | 133,4 | 63,5 | 50,8 | 38,1 |
| 5.641.S1.58-B | 2 ½ | 2 | 139,7 | 63,5 | 63,5 | 50,8 |
| 5.641.S1.70-B | 3 | 2 ½ | 139,7 | 66,7 | 76,1 | 63,5 |
| 5.641.S1.76-B | 4 | 3 | 196,9 | 98,4 | 101,6 | 76,1 |
| 5.642.S1.24-B | 1 ½ | ¾ | 127,0 | 76,2 | 38,1 | 19,01 |
| 5.642.S1.44-B | 2 | 1 | 184,2 | 85,7 | 50,8 | 25,4 |
| 5.642.S1.58-B | 2 ½ | 1 ½ | 184,2 | 85,7 | 63,5 | 38,1 |
| 5.642.S1.70-B | 3 | 2 | 190,5 | 85,7 | 76,1 | 50,8 |
| 5.641.S1.76-B | 4 | 2 ½ | 247,7 | 108 | 101,6 | 63,5 |