RIDUZIONE CONCENTRICA A MANDRINARE LUCIDO ESTERNO-SATINATO INTERNO (Ra <0,8 µm)
Varianti e misure disponibili per questo prodotto
SKU principale: 5.69-.KK. --
Identifica il prodotto in senso generale, indipendentemente dalla misura. Utilizzabile per richieste tecniche o commerciali non specifiche
Ultima lettera presente in ogni codice prodotto ne identifica l'esecuzione: ovvero la combinazione di materiali in cui è costruita.
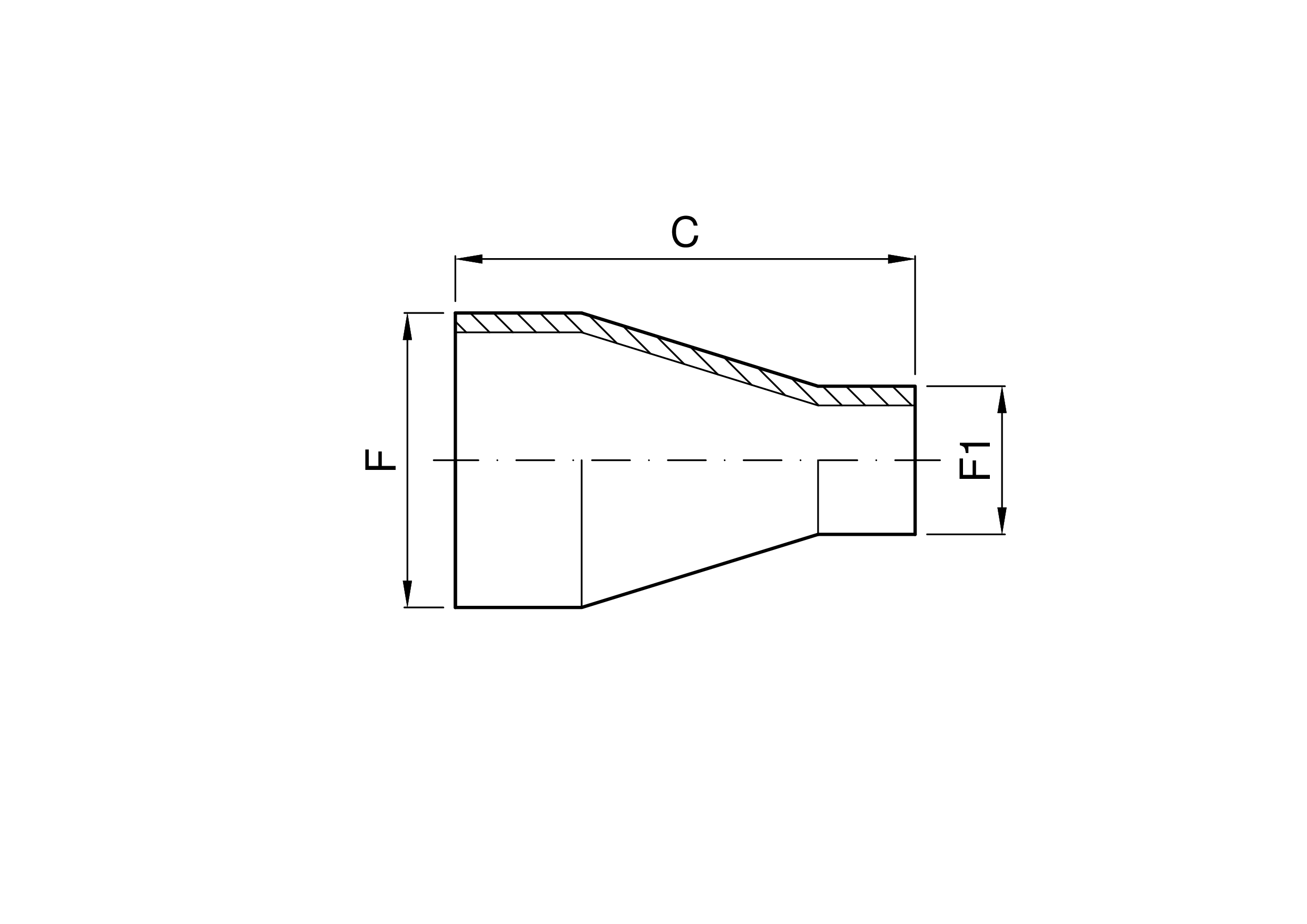
| codice | DN | DN1 | F | F1 | C | |
|---|---|---|---|---|---|---|
| mm | mm | mm | mm | mm | kg | |
| 5.691.KK.24-A | 38 | 25 | 38,1 | 25,4 | 97 | 0,11 |
| 5.691.KK.44-A | 51 | 38 | 50,8 | 38,1 | 97 | 0,15 |
| 5.691.KK.58-A | 63 | 51 | 63,5 | 50,8 | 97 | 0,19 |
| 5.691.KK.70-A | 76 | 63 | 76,1 | 63,5 | 97 | 0,24 |
| 5.691.KK.76-A | 101 | 76 | 101,6 | 76,1 | 120 | 0,58 |
| 5.692.KK.44-A | 51 | 25 | 50,8 | 25,4 | 115 | 0,18 |
| 5.692.KK.58-A | 63 | 38 | 63,5 | 38,1 | 115 | 0,23 |
| 5.692.KK.70-A | 76 | 51 | 76,1 | 50,1 | 130 | 0,25 |
| 5.692.KK.76-A | 101 | 63 | 101 | 63 | 120 | 0,60 |