+39 0385 747068

TRONCHETTO A SALDARE ASME BPE 4.1.4-1

TRONCHETTO A SALDARE ASME BPE 4.1.4-1

Varianti e misure disponibili per questo prodotto

SKU principale: 4.540.S1.--
Identifica il prodotto in senso generale, indipendentemente dalla misura. Utilizzabile per richieste tecniche o commerciali non specifiche

Ultima lettera presente in ogni codice prodotto ne identifica l'esecuzione: ovvero la combinazione di materiali in cui è costruita.

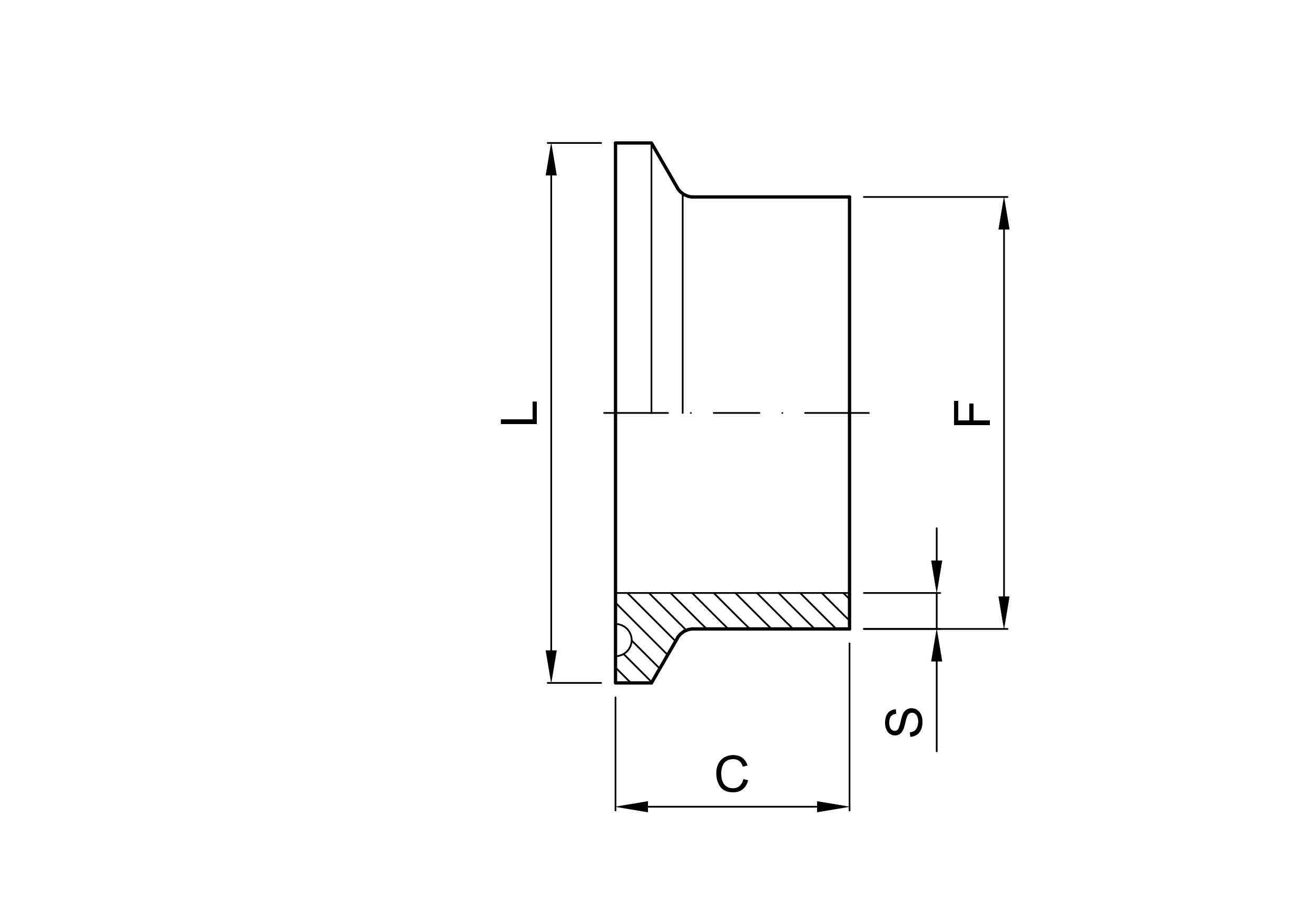
codiceDNLFC type AC type BS
inchmmmmmmmmmm
4.540.S1.03-B½25,112,744,528,61,65
4.540.S1.07-B¾25,119,144,528,61,65
4.540.S1.11-B150,425,444,528,61,65
4.540.S1.24-B1 ½50,438,144,528,61,65
4.540.S1.44-B26450,857,228,61,65
4.540.S1.58-B2 ½77,463,557,228,61,65
4.540.S1.70-B390,976,157,228,61,65
4.540.S1.76-B4118,8101,657,228,62,11
Salva in PDF