RACCORDO COMPLETO SMS A SALDARE
Varianti e misure disponibili per questo prodotto
SKU principale: 4.010.JJ. --
Identifica il prodotto in senso generale, indipendentemente dalla misura. Utilizzabile per richieste tecniche o commerciali non specifiche
Ultima lettera presente in ogni codice prodotto ne identifica l'esecuzione: ovvero la combinazione di materiali in cui è costruita.
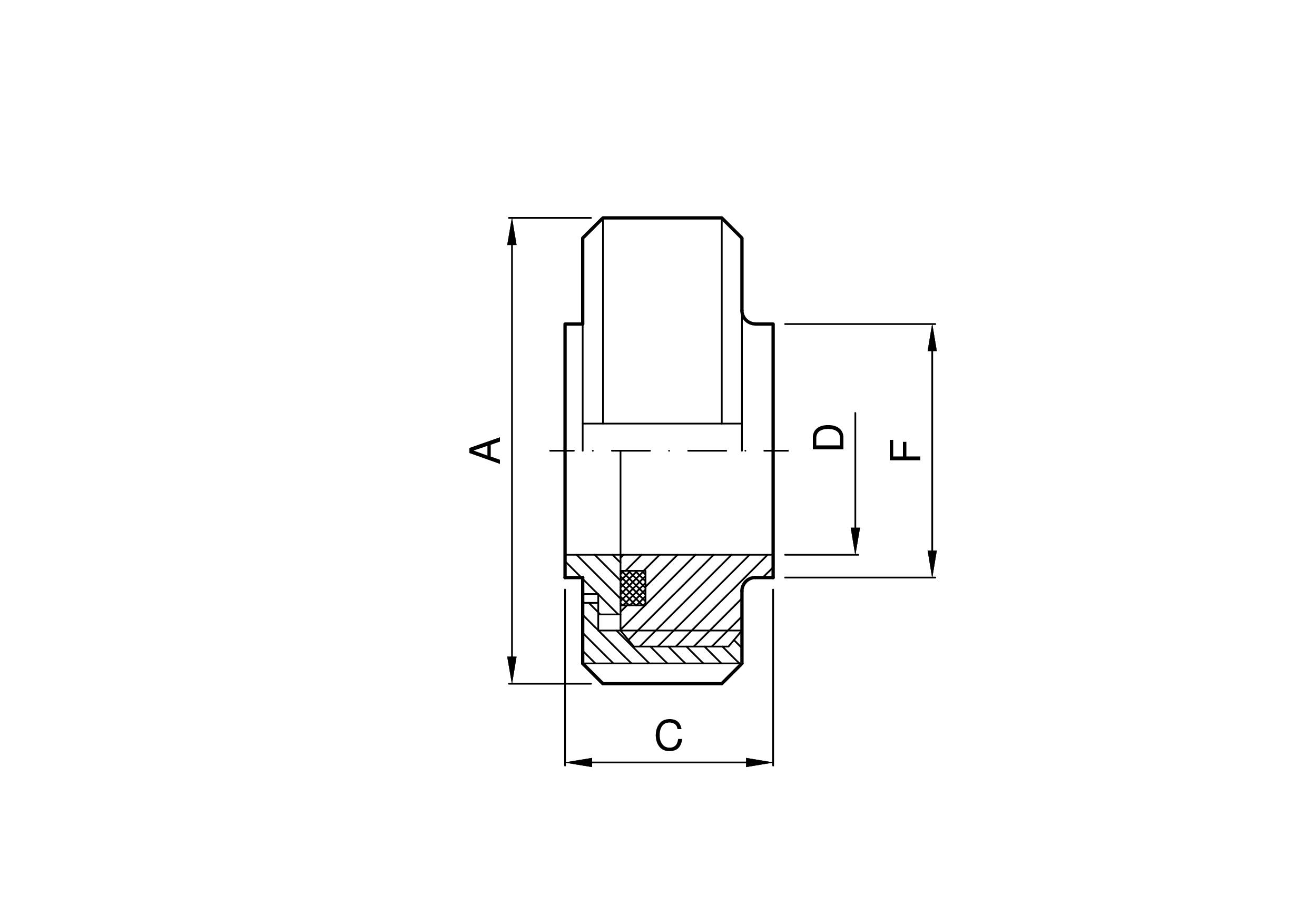
| codice | DN | F | A | D | Peso |
|---|---|---|---|---|---|
| mm | mm | mm | mm | kg | |
| 4.010.JJ.11-X | 25 | 25,4 | 51 | 22,4 | |
| 4.010.JJ.24-X | 38 | 38,1 | 74 | 35,1 | |
| 4.010.JJ.44-X | 51 | 50,8 | 84 | 47,8 | |
| 4.010.JJ.58-X | 63 | 63,5 | 100 | 60,5 | |
| 4.010.JJ.70-X | 76 | 76,1 | 114 | 72,1 | |
| 4.010.JJ.76-X | 101 | 101,6 | 150 | 97,6 | |
| 4.010.JJ.77-X | 104 | 104 | 138 | 100 |