GUARNIZIONE PER RACCORDO DIN
Varianti e misure disponibili per questo prodotto
SKU principale: 4.090.D9. --
Identifica il prodotto in senso generale, indipendentemente dalla misura. Utilizzabile per richieste tecniche o commerciali non specifiche
Ultima lettera presente in ogni codice prodotto ne identifica l'esecuzione: ovvero la combinazione di materiali in cui è costruita.
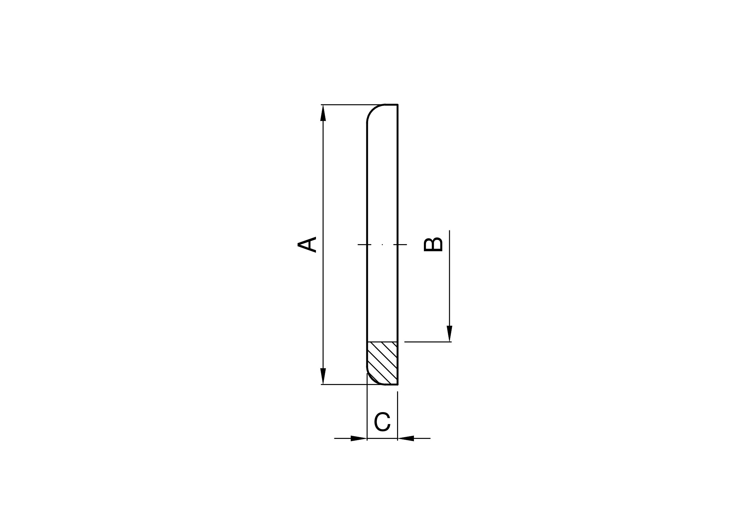
| codice | DIN | A | B | C |
|---|---|---|---|---|
| mm | mm | mm | mm | |
| 4.090.D9.02-I | 10 | 20 | 12 | 4,5 |
| 4.090.D9.06-I | 15 | 26 | 18 | 4,5 |
| 4.090.D9.09-I | 20 | 33 | 23 | 4,5 |
| 4.090.D9.12-I | 25 | 40 | 30 | 5 |
| 4.090.D9.23-I | 32 | 46 | 36 | 5 |
| 4.090.D9.32-I | 40 | 52 | 42 | 5 |
| 4.090.D9.45-I | 50 | 64 | 54 | 5 |
| 4.090.D9.57-I | 60 | 72 | 62 | 5 |
| 4.090.D9.66-I | 65 | 81 | 71 | 5 |
| 4.090.D9.72-I | 80 | 95 | 85 | 5 |
| 4.090.D9.75-I | 90 | 102 | 92 | 6 |
| 4.090.D9.77-I | 100 | 114 | 104 | 6 |
| 4.090.D9.81-I | 125 | 142 | 130 | 7 |
| 4.090.D9.86-I | 150 | 167 | 155 | 7 |