+39 0385 747068

FLANGIA FEMMINA DIN 11864-2/DIN 11853-2

FLANGIA FEMMINA DIN 11864-2/DIN 11853-2

Varianti e misure disponibili per questo prodotto

SKU principale: 4.770.XF. --
Identifica il prodotto in senso generale, indipendentemente dalla misura. Utilizzabile per richieste tecniche o commerciali non specifiche

Ultima lettera presente in ogni codice prodotto ne identifica l'esecuzione: ovvero la combinazione di materiali in cui è costruita.

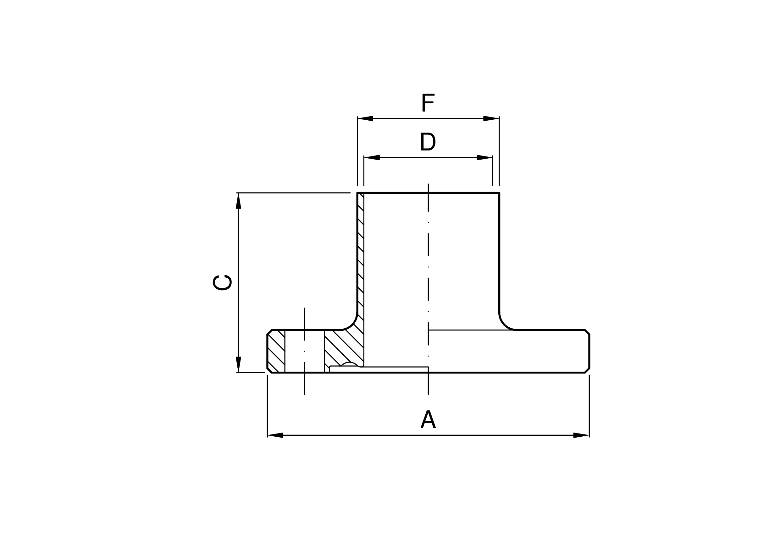
codiceDNAFDCE
mmmmmmmmmmkg
4.770.XF.02-B10541310404xM8x30
4.770.XF.06-B15591916404xM8x30
4.770.XF.09-B20642320404xM8x30
4.770.XF.12-B25702926404xM8x30
4.770.XF.23-B32763532454xM8x30
4.770.XF.32-B40824138454xM8x30
4.770.XF.45-B50945350454xM8x30
4.770.XF.66-B651137066544xM8x30
4.770.XF.72-B801338581584xM10x35
4.770.XF.77-B100159104100584xM10x40
DIN 11864
Salva in PDF