+39 0385 747068

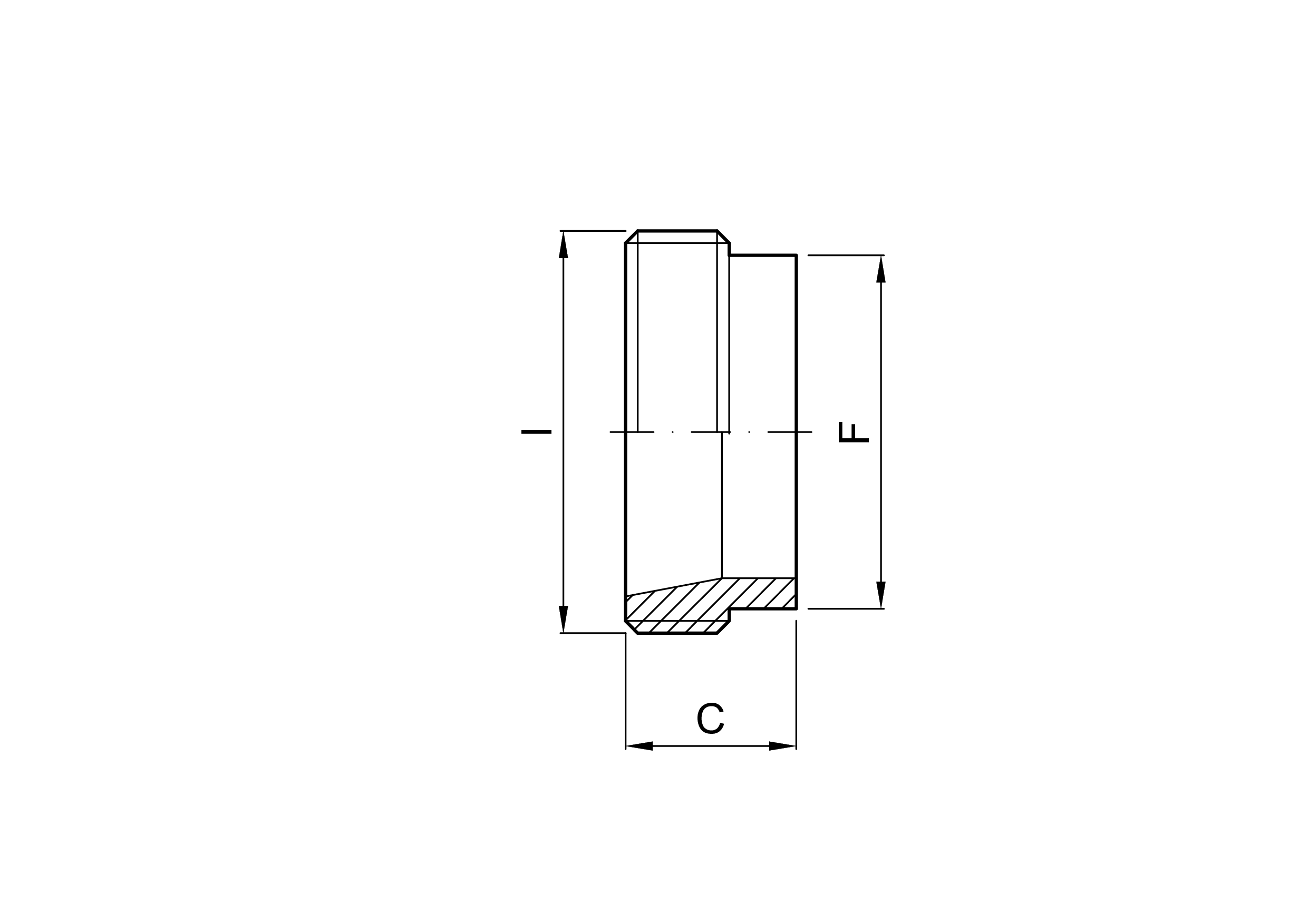
BOCCHETTONE FILETTATO ENOLOGICO A SALDARE

BOCCHETTONE FILETTATO ENOLOGICO A SALDARE

Varianti e misure disponibili per questo prodotto

SKU principale: 4.040.N6. --
Identifica il prodotto in senso generale, indipendentemente dalla misura. Utilizzabile per richieste tecniche o commerciali non specifiche

Ultima lettera presente in ogni codice prodotto ne identifica l'esecuzione: ovvero la combinazione di materiali in cui è costruita.

codiceENOCFI
mmmmmmmmkg
4.040.N6.14-A252526370,06
4.040.N6.15-A302535410,07
4.040.N6.25-A352840460,1
4.040.N6.34-A403045510,15
4.040.N6.46-A503058660,25
Salva in PDF