+39 0385 747068

BOCCHETTONE DIN MASCHIO A SALDARE “DI TESTA” (PER TUBI DIN 11850)

BOCCHETTONE DIN MASCHIO A SALDARE “DI TESTA” (PER TUBI DIN 11850)

Varianti e misure disponibili per questo prodotto

SKU principale: 4.062.EF. --
Identifica il prodotto in senso generale, indipendentemente dalla misura. Utilizzabile per richieste tecniche o commerciali non specifiche

Ultima lettera presente in ogni codice prodotto ne identifica l'esecuzione: ovvero la combinazione di materiali in cui è costruita.

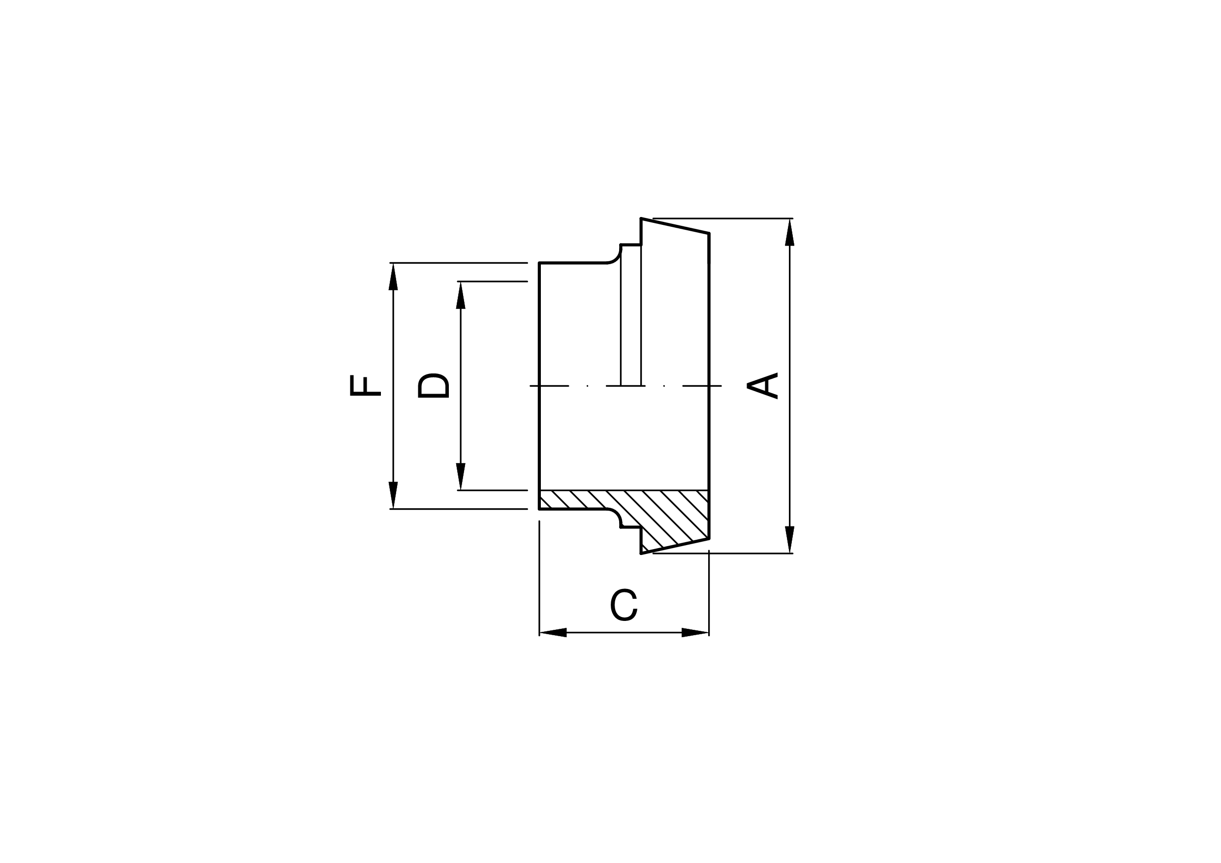
codiceDINFDAC
mmmmmmmmmmkg
4.062.EF.02-A1012922170,06
4.062.EF.06-A15181528170,03
4.062.EF.09-A20221936180,08
4.062.EF.12-A25282544220,09
4.062.EF.23-A32343150250,10
4.062.EF.32-A40403756260,14
4.062.EF.45-A50524968280,17
4.062.EF.66-A65706686320,30
4.062.EF.72-A808581100370,40
4.062.EF.76-A100101,697,6121440,75
4.062.EF.77-A100104100121440,75
4.062.EF.81-A12512912515034
4.062.EF.86-A15015415017637
4.062.EF.03-A1013102217DIN SERIE 20,06
4.062.EF.07-A15191628170,03
4.062.EF.10-A20232036180,08
4.062.EF.13-A25292644220,09
4.062.EF.24-A32353250250,10
4.062.EF.33-A40413856260,14
4.062.EF.46-A50535068280,17
Salva in PDF