GUARNIZIONE CON FORI PER FLANGIA PIANA UNI 2278 PN 16
Varianti e misure disponibili per questo prodotto
SKU principale: 4.840.Z9. --
Identifica il prodotto in senso generale, indipendentemente dalla misura. Utilizzabile per richieste tecniche o commerciali non specifiche
Ultima lettera presente in ogni codice prodotto ne identifica l'esecuzione: ovvero la combinazione di materiali in cui è costruita.
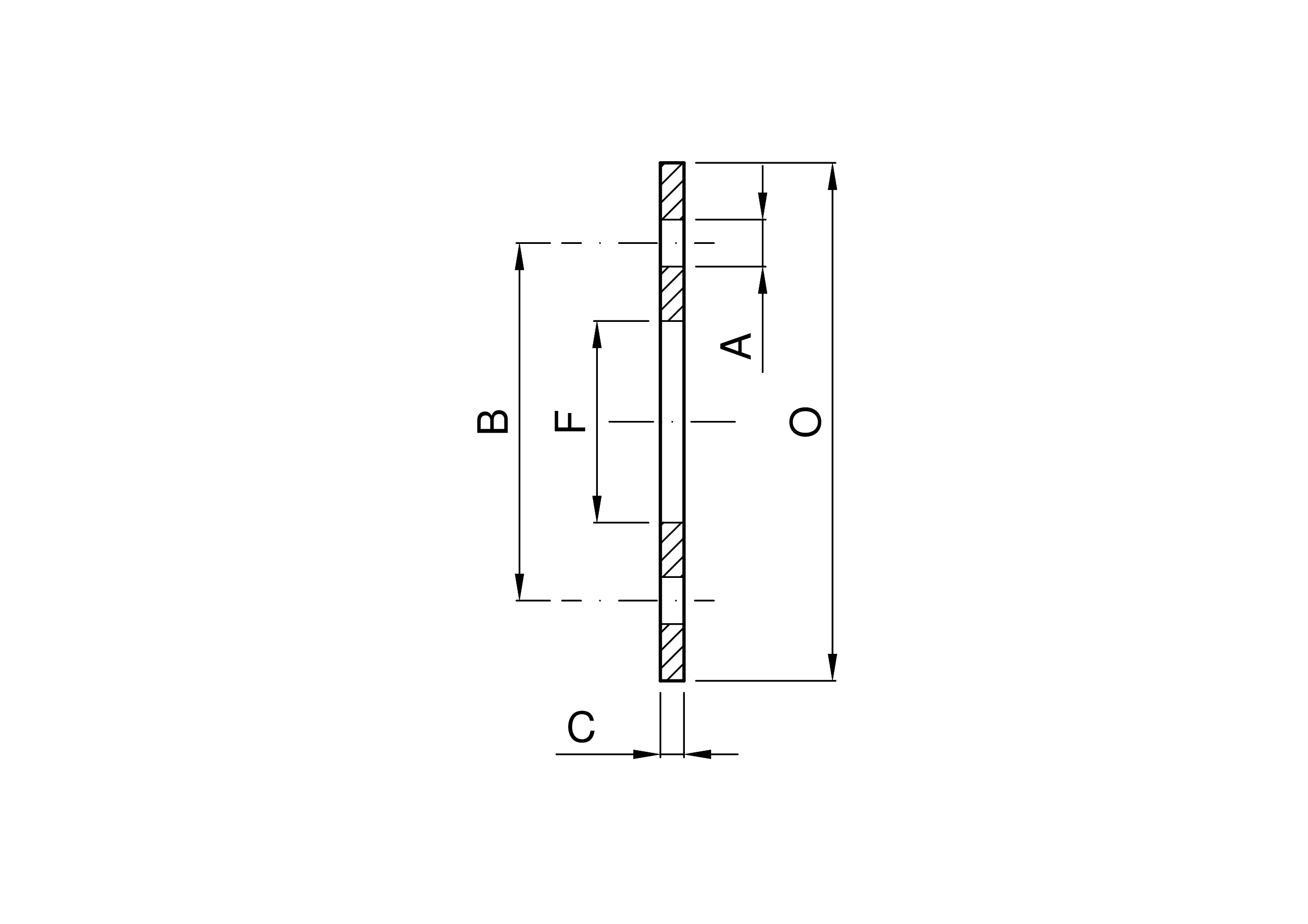
| codice | DN | F | A | B | C | O | fori n° | |
|---|---|---|---|---|---|---|---|---|
| mm | mm | mm | mm | mm | mm | kg | ||
| 4.840.Z9.08-N | 15 | 22 | 14 | 65 | 3 | 95 | 4 | |
| 4.840.Z9.10-N | 20 | 28 | 14 | 75 | 3 | 105 | 4 | |
| 4.840.Z9.13-N | 25 | 34 | 14 | 85 | 3 | 115 | 4 | |
| 4.840.Z9.29-N | 32 | 43 | 18 | 100 | 3 | 140 | 4 | |
| 4.840.Z9.38-N | 40 | 49 | 18 | 110 | 3 | 150 | 4 | |
| 4.840.Z9.50-N | 50 | 62 | 18 | 125 | 3 | 165 | 4 | |
| 4.840.Z9.65-N | 65 | 77 | 18 | 145 | 3 | 185 | 8 | |
| 4.840.Z9.71-N | 80 | 90 | 18 | 160 | 3 | 200 | 8 | |
| 4.840.Z9.80-N | 100 | 115 | 18 | 180 | 3 | 220 | 8 | |
| 4.840.Z9.82-N | 125 | 141 | 18 | 210 | 3 | 250 | 8 | |