+39 0385 747068

FLANGIA UNI EN 1092-1 01 PN6 (EX UNI 2276 /67)

FLANGIA UNI EN 1092-1 01 PN6 (EX UNI 2276 /67)

Varianti e misure disponibili per questo prodotto

SKU principale: 4.820.X9. --
Identifica il prodotto in senso generale, indipendentemente dalla misura. Utilizzabile per richieste tecniche o commerciali non specifiche

Ultima lettera presente in ogni codice prodotto ne identifica l'esecuzione: ovvero la combinazione di materiali in cui è costruita.

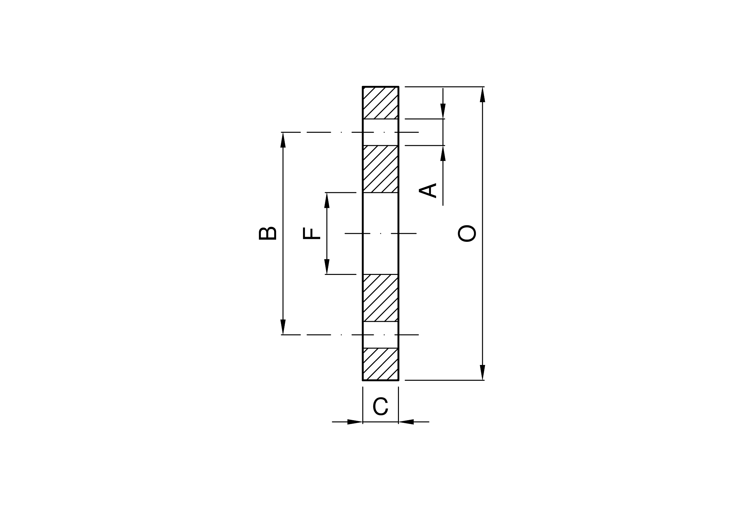
codiceDNFABCOFori n°
mmmmmmmmmmmmkg
4.820.X9.08-A15221155128040,33
4.820.X9.10-A2027,51165149040,51
4.820.X9.13-A253411751410040,62
4.820.X9.29-A324314901612041,02
4.820.X9.38-A4049141001613041,18
4.820.X9.50-A5061,5141101614041,30
4.820.X9.65-A6577141301616041,63
4.820.X9.71-A8090181501819042,63
4.820.X9.80-A100115,5181701821042,91
4.820.X9.82-A125141182002024083,90
4.820.X9.88-A150170182252026584,78
4.820.X9.92-A200221182802232086,91
Salva in PDF