FLANGIA UNI EN 1092-1 01 PN16 (EX UNI 2278 /67)
Varianti e misure disponibili per questo prodotto
SKU principale: 4.820.Z9. --
Identifica il prodotto in senso generale, indipendentemente dalla misura. Utilizzabile per richieste tecniche o commerciali non specifiche
Ultima lettera presente in ogni codice prodotto ne identifica l'esecuzione: ovvero la combinazione di materiali in cui è costruita.
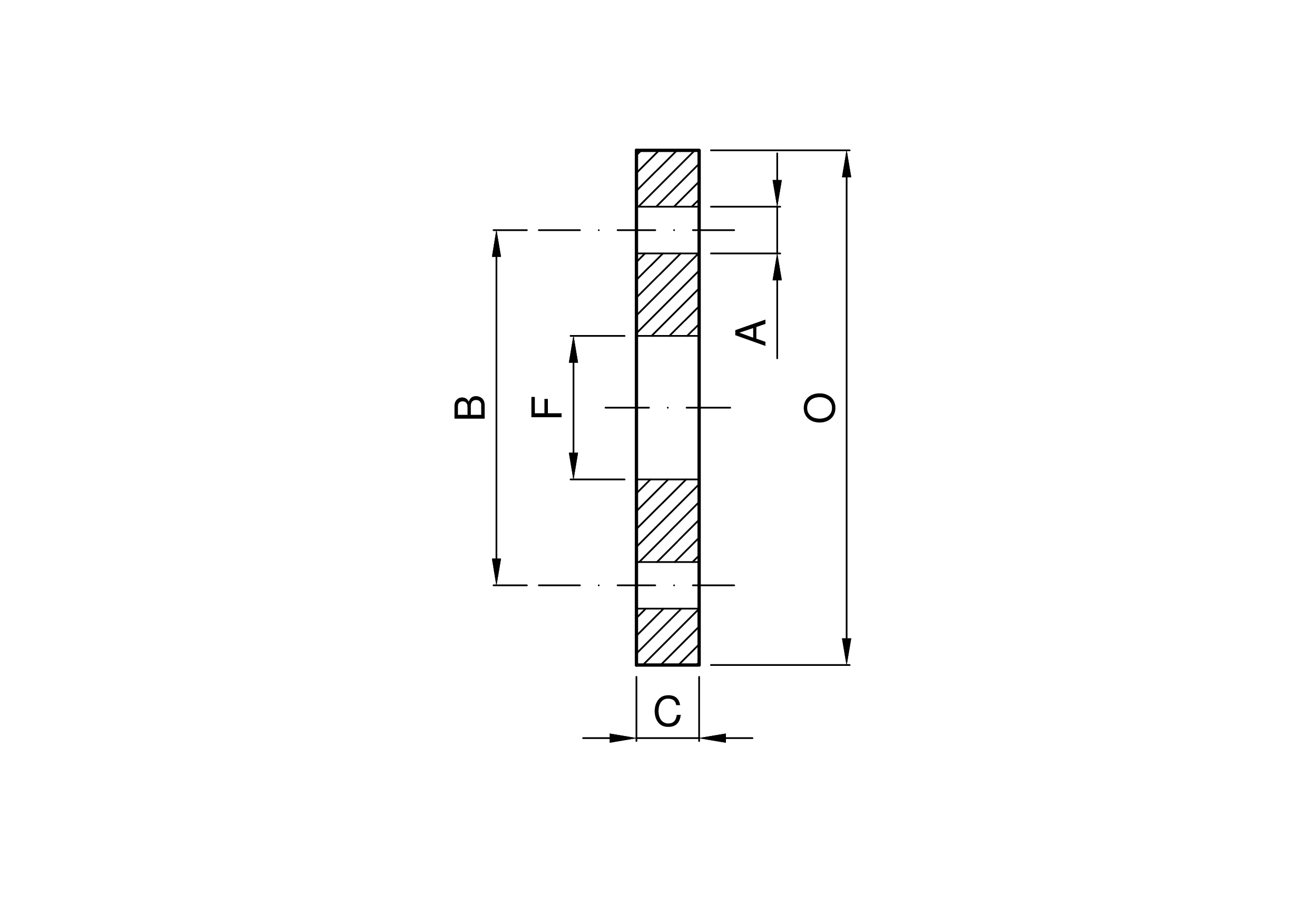
| codice | DN | F | A | B | C | O | fori n° | |
|---|---|---|---|---|---|---|---|---|
| mm | mm | mm | mm | mm | mm | kg | ||
| 4.820.Z9.08-A | 15 | 22 | 14 | 65 | 14 | 95 | 4 | 0,57 |
| 4.820.Z9.10-A | 20 | 27,5 | 14 | 75 | 16 | 105 | 4 | 0,82 |
| 4.820.Z9.13-A | 25 | 34 | 14 | 85 | 16 | 115 | 4 | 0,97 |
| 4.820.Z9.29-A | 32 | 43 | 18 | 100 | 18 | 140 | 4 | 1,67 |
| 4.820.Z9.38-A | 40 | 49 | 18 | 110 | 18 | 150 | 4 | 1,85 |
| 4.820.Z9.50-A | 50 | 61,5 | 18 | 125 | 20 | 165 | 4 | 2,45 |
| 4.820.Z9.65-A | 65 | 77 | 18 | 145 | 20 | 185 | 8 | 3,00 |
| 4.820.Z9.71-A | 80 | 90 | 18 | 160 | 20 | 200 | 8 | 3,77 |
| 4.820.Z9.80-A | 100 | 115,5 | 18 | 180 | 22 | 220 | 8 | 4,40 |
| 4.820.Z9.82-A | 125 | 141 | 18 | 210 | 22 | 250 | 8 | 5,92 |
| 4.820.Z9.88-A | 150 | 170 | 22 | 240 | 24 | 285 | 8 | 7,17 |
| 4.820.Z9.92-A | 200 | 221 | 22 | 295 | 26 | 340 | 12 | 9,77 |