+39 0385 747068

FLANGIA SCORREVOLE UNI 6089/67 PN 10 IN DURALLUMINIO

FLANGIA SCORREVOLE UNI 6089/67 PN 10 IN DURALLUMINIO

Varianti e misure disponibili per questo prodotto

SKU principale: 4.822.Y9. --
Identifica il prodotto in senso generale, indipendentemente dalla misura. Utilizzabile per richieste tecniche o commerciali non specifiche

Ultima lettera presente in ogni codice prodotto ne identifica l'esecuzione: ovvero la combinazione di materiali in cui è costruita.

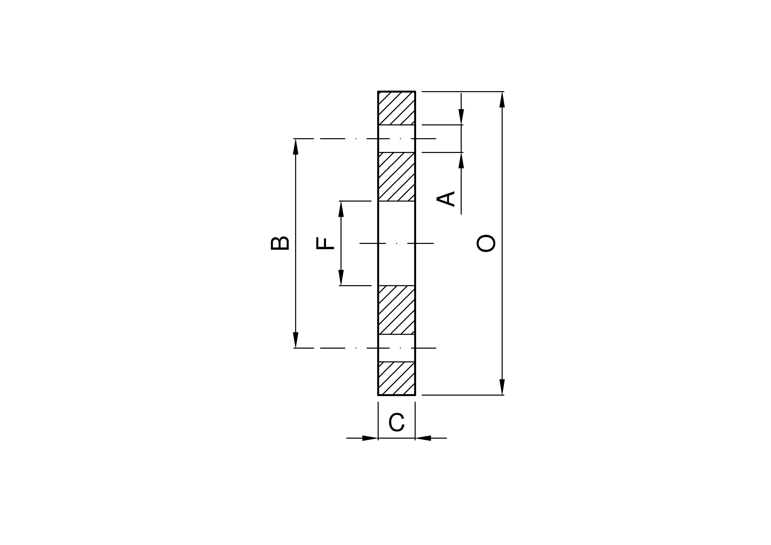
codiceDNOBFCN°A
mmmmmmmmmmmm
4.822.Y9.13-Z25115853716414
4.822.Y9.29-Z321401004616418
4.822.Y9.38-Z401501105216418
4.822.Y9.50-Z501651256416418
4.822.Y9.65-Z651851458016418
4.822.Y9.71-Z802001609418818
4.822.Y9.80-Z10022018011918818
4.822.Y9.82-Z12525021014518818
4.822.Y9.88-Z15028524017418822
4.822.Y9.92-Z20034029522520822
4.822.Y9.97-Z250395350279221222
4.822.Y9.98-Z300445400329261222
Salva in PDF