FLANGIA A COLLARINO UNI EN 1092-1 TIPO 11 PN 16
Varianti e misure disponibili per questo prodotto
SKU principale: 4.815.Z9. --
Identifica il prodotto in senso generale, indipendentemente dalla misura. Utilizzabile per richieste tecniche o commerciali non specifiche
Ultima lettera presente in ogni codice prodotto ne identifica l'esecuzione: ovvero la combinazione di materiali in cui è costruita.
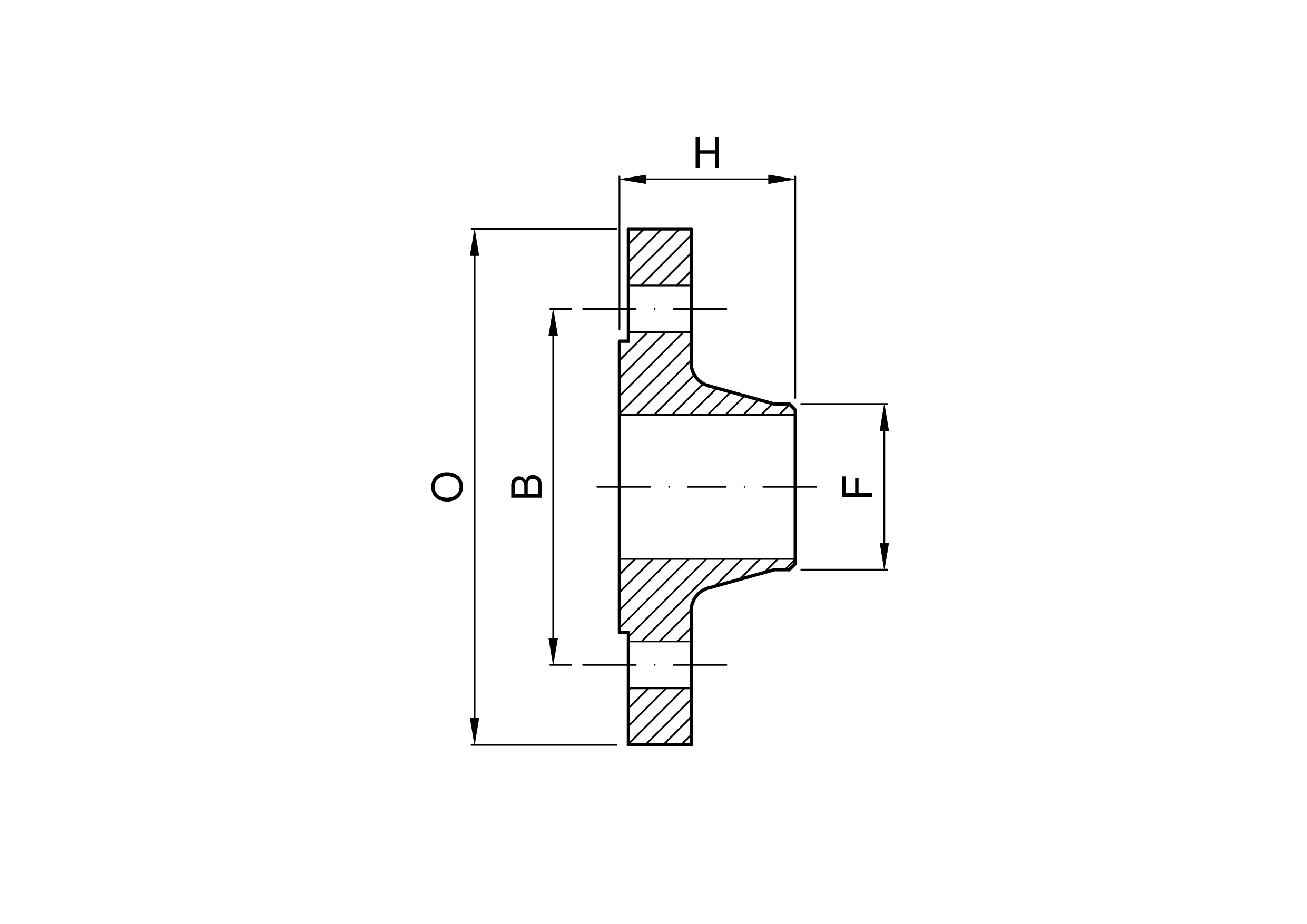
| codice | DN | F | O | h | B | Holes |
|---|---|---|---|---|---|---|
| mm | mm | mm | mm | mm | ||
| 4.815.Z9.08-A | 15 | 22,5 | 95 | 38 | 65 | 4 |
| 4.815.Z9.10-A | 20 | 28 | 105 | 40 | 75 | 4 |
| 4.815.Z9.13-A | 25 | 34,5 | 115 | 40 | 85 | 4 |
| 4.815.Z9.29-A | 32 | 43,5 | 140 | 42 | 100 | 4 |
| 4.815.Z9.38-A | 40 | 49,5 | 150 | 45 | 110 | 4 |
| 4.815.Z9.50-A | 50 | 61,5 | 165 | 45 | 125 | 4 |
| 4.815.Z9.65-A | 65 | 77 | 185 | 45 | 145 | 8 |
| 4.815.Z9.71-A | 80 | 90 | 200 | 50 | 160 | 8 |
| 4.815.Z9.80-A | 100 | 115,5 | 220 | 52 | 180 | 8 |
| 4.815.Z9.82-A | 125 | 141 | 250 | 55 | 210 | 8 |
| 4.815.Z9.88-A | 150 | 170,5 | 285 | 55 | 240 | 8 |
| 4.815.Z9.92-A | 200 | 221 | 340 | 62 | 295 | 12 |