+39 0385 747068

CARTELLA A SALDARE

CARTELLA A SALDARE

Varianti e misure disponibili per questo prodotto

SKU principale: 5.862.C9. --
Identifica il prodotto in senso generale, indipendentemente dalla misura. Utilizzabile per richieste tecniche o commerciali non specifiche

Ultima lettera presente in ogni codice prodotto ne identifica l'esecuzione: ovvero la combinazione di materiali in cui è costruita.

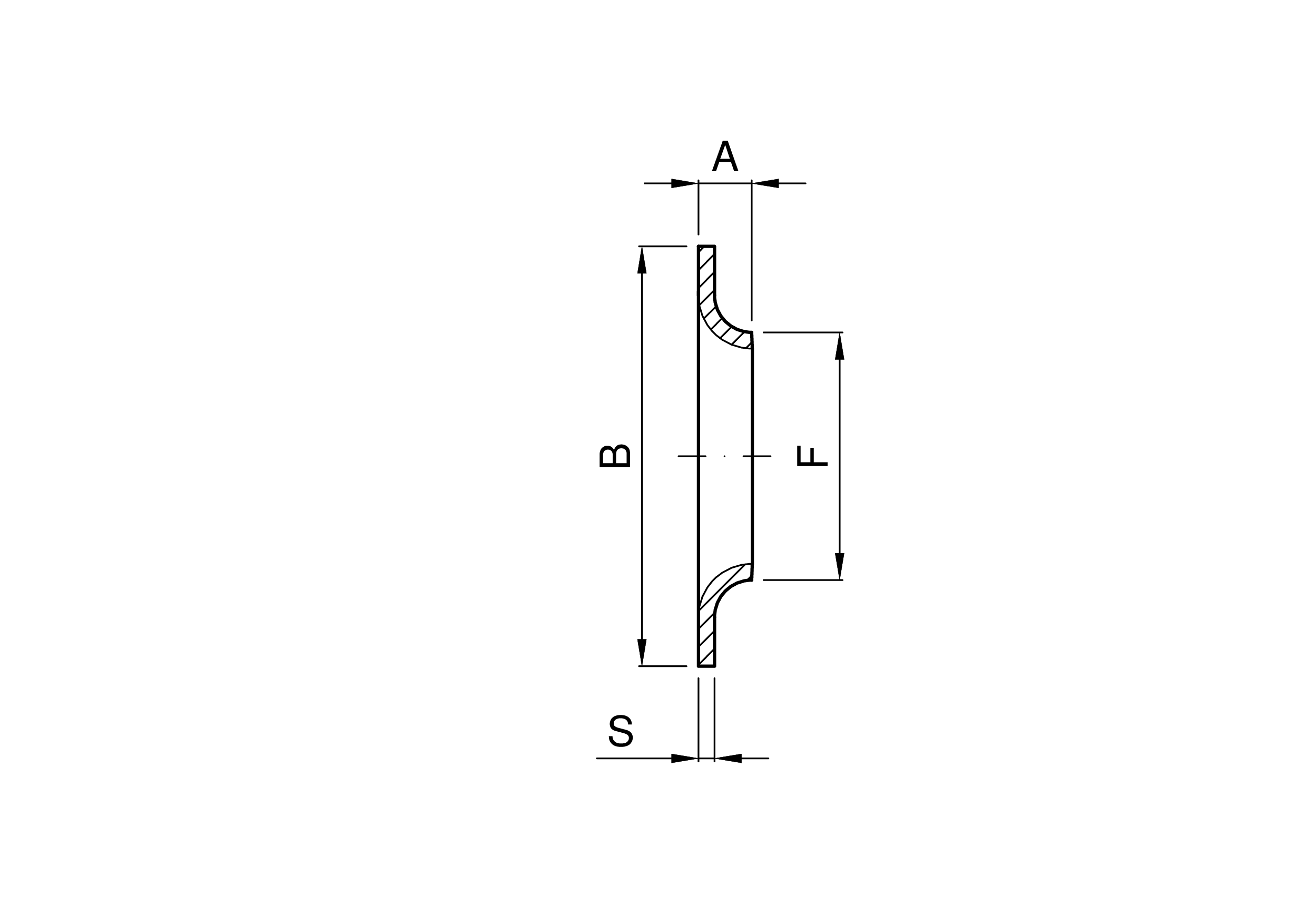
codiceGFA2 S3 SB
inchmmmmmmmmmm
5.860.C9.13-A133,792368
5.860.C9.29-A1 ¼42,4102378
5.860.C9.38-A1 ½48,3102388
5.860.C9.50-A260,31223102
5.860.C9.65-A2 ½76,11223122
5.860.C9.71-A388,91423138
5.860.C9.75-A3 ½101,61423148
5.860.C9.80-A4114,31423158
5.860.C9.82-A5139,71623_
5.860.C9.88-A6168,31623_
5.860.C9.92-A8219,11623_
5.860.C9.97-A10273,01823_
5.860.C9.98-A12323,92023_
Salva in PDF